LEMON Manuals: Even more car manuals for everyone: 1960-2025
Home >> Mazda >> 1995 >> 929 >> Repair and Diagnosis >> Engine Performance >> System >> Engine Controls - Tests W/Codes >> Trouble Code Charts >> Code 12: Throttle Position Sensor
April 5, 2026: LEMON Manuals is launched! Read the announcement.

Code 12: Throttle Position Sensor

Fig 1: Trouble Code No. 12 Throttle Position Sensor
G95E31975
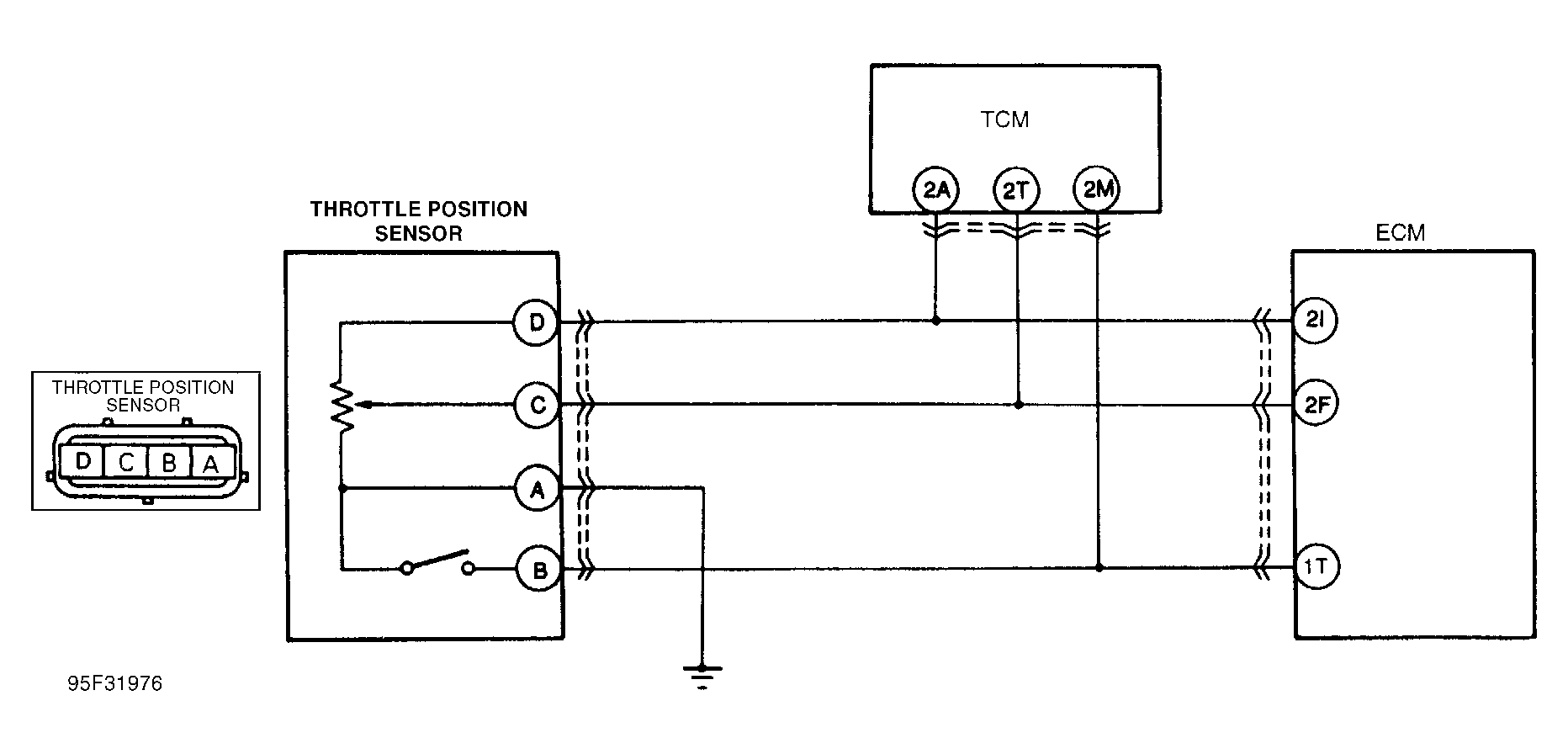
Fig 2: Trouble Code No. 12 Throttle Position Sensor Circuit Diagram
G95F31976