LEMON Manuals: Even more car manuals for everyone: 1960-2025
Home >> Mazda >> 1995 >> B3000 Base, Standard >> Repair and Diagnosis >> Engine Performance >> System >> Engine Controls - System/Component Tests >> Computerized Engine Controls >> Relays >> EEC Power Relay
April 5, 2026: LEMON Manuals is launched! Read the announcement.

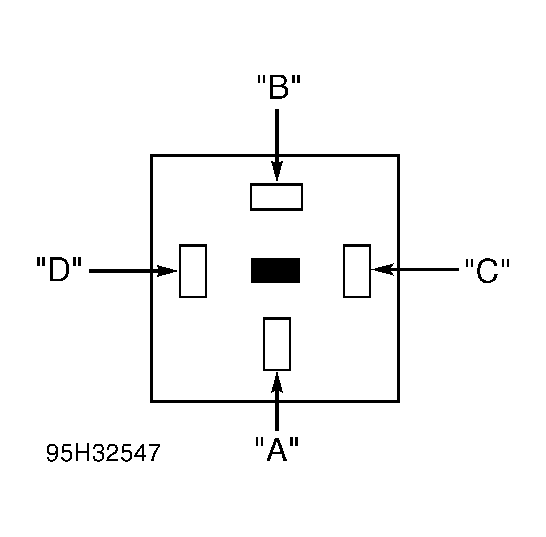
EEC Power Relay

Remove relay from vehicle. Connect battery voltage to terminal "C". See Figure . Ground terminal "D". Measure resistance between terminals "A" and "B". Resistance should be less than one ohm with power applied. Continuity should not exist with power removed.