LEMON Manuals: Even more car manuals for everyone: 1960-2025
Home >> Mazda >> 1995 >> MX-5 Miata Base, Automatic >> Repair and Diagnosis >> Engine Performance >> System >> Engine Controls - Tests W/Codes >> Trouble Code Charts >> Code 1: Ignition Signal
April 5, 2026: LEMON Manuals is launched! Read the announcement.

Code 1: Ignition Signal

Fig 1: Trouble Code No. 1 Ignition Signal
G95J31475
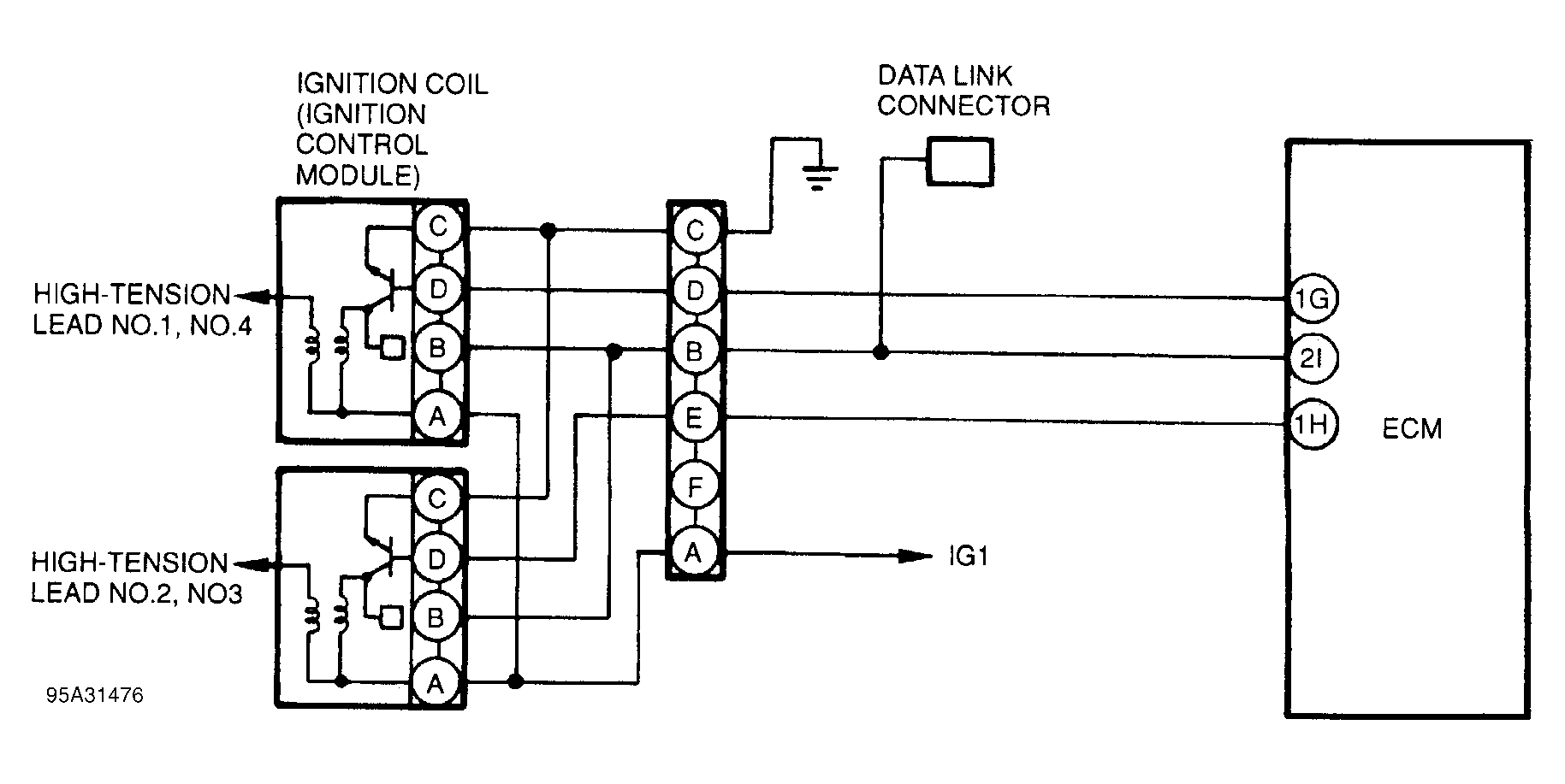
Fig 2: Trouble Code No. 1 Ignition System Circuit Diagram
G95A31476