LEMON Manuals: Even more car manuals for everyone: 1960-2025
Home >> Mazda >> 1995 >> RX-7 Automatic >> Repair and Diagnosis >> Engine Performance >> System >> Engine Controls - System/Component Tests >> Air Induction Systems >> Double Throttle Control >> System Check
April 5, 2026: LEMON Manuals is launched! Read the announcement.

System Check

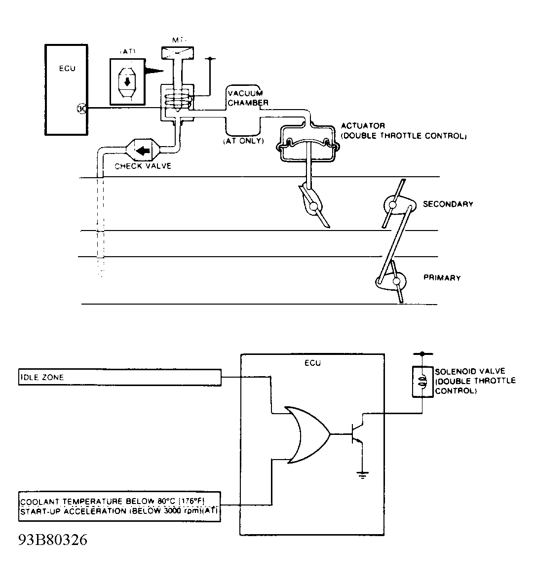
  1. With engine cold, start engine. Ensure actuator rod is pulled in. See Fig 1 . If rod is not pulled in, check operation of cool ant thermosensor and solenoid valve. Also check and repair any vacuum leaks. Apply vacuum to double throttle actuator. If rod does not pull in, check for vacuum leaks. If no vacuum leaks exist, replace double throttle actuator.
  2. Warm engine until engine coolant temperature is greater than 176°F (80°C). Ensure actuator rod extends. If rod does not extend, check operation of coolant thermosensor and solenoid valve.
Fig 1: View Of Double Throttle Control System
G93B80326Courtesy of MAZDA MOTORS CORP.