LEMON Manuals: Even more car manuals for everyone: 1960-2025
Home >> Mazda >> 1995 >> RX-7 Automatic >> Repair and Diagnosis >> Engine Performance >> System >> Engine Controls - Tests W/Codes >> Trouble Code Charts >> Code 5: Knock Sensor
April 5, 2026: LEMON Manuals is launched! Read the announcement.

Code 5: Knock Sensor

Fig 1: Trouble Code No. 5 Knock Sensor
G95A32029
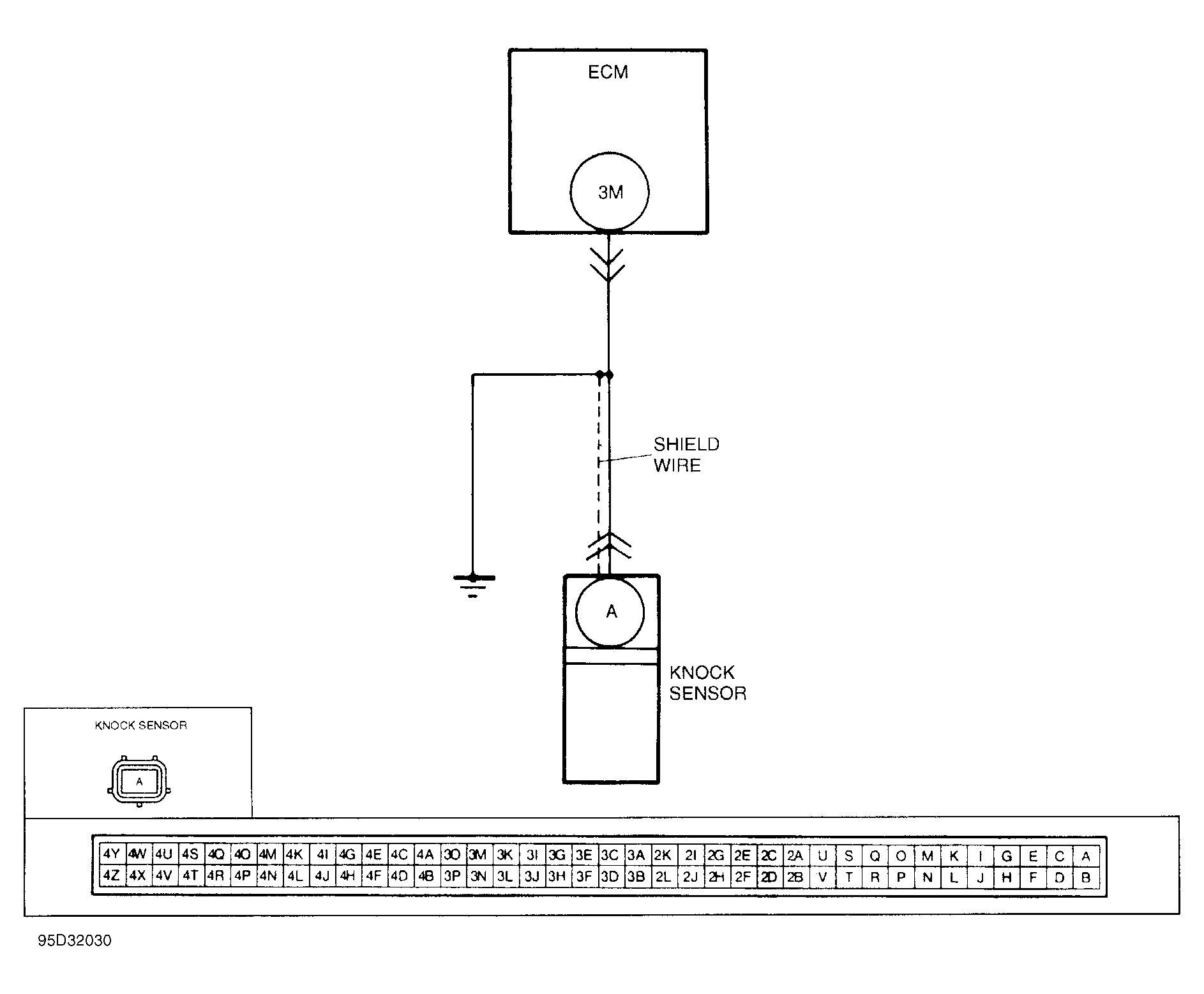
Fig 2: Trouble Code No. 5 Knock Sensor Circuit Diagram
G95D32030