LEMON Manuals: Even more car manuals for everyone: 1960-2025
Home >> Mazda >> 1995 >> RX7 2RTR-1308cc 80 >> Repair and Diagnosis >> Powertrain Management >> Computers and Control Systems >> Engine Control Module >> Locations >> Component Locations
April 5, 2026: LEMON Manuals is launched! Read the announcement.

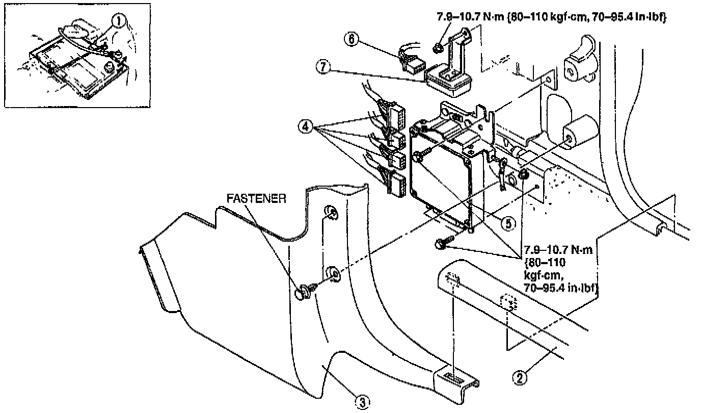
Component Locations




Behind passenger side kick panel near floorboard. Refer to item No.5 in figure.