LEMON Manuals: Even more car manuals for everyone: 1960-2025
Home >> Mazda >> 2001 >> MPV ES >> Repair and Diagnosis >> Transmission >> Automatic Trans >> Overhaul >> Automatic Transaxle Disassembly >> Disassembly Components
April 5, 2026: LEMON Manuals is launched! Read the announcement.

Disassembly Components

Fig 1: Removing Transaxle Components (1 Of 4)
G03186135
Fig 2: Removing Transaxle Components (2 Of 4)
G03186136
Fig 3: Removing Transaxle Components (3 Of 4)
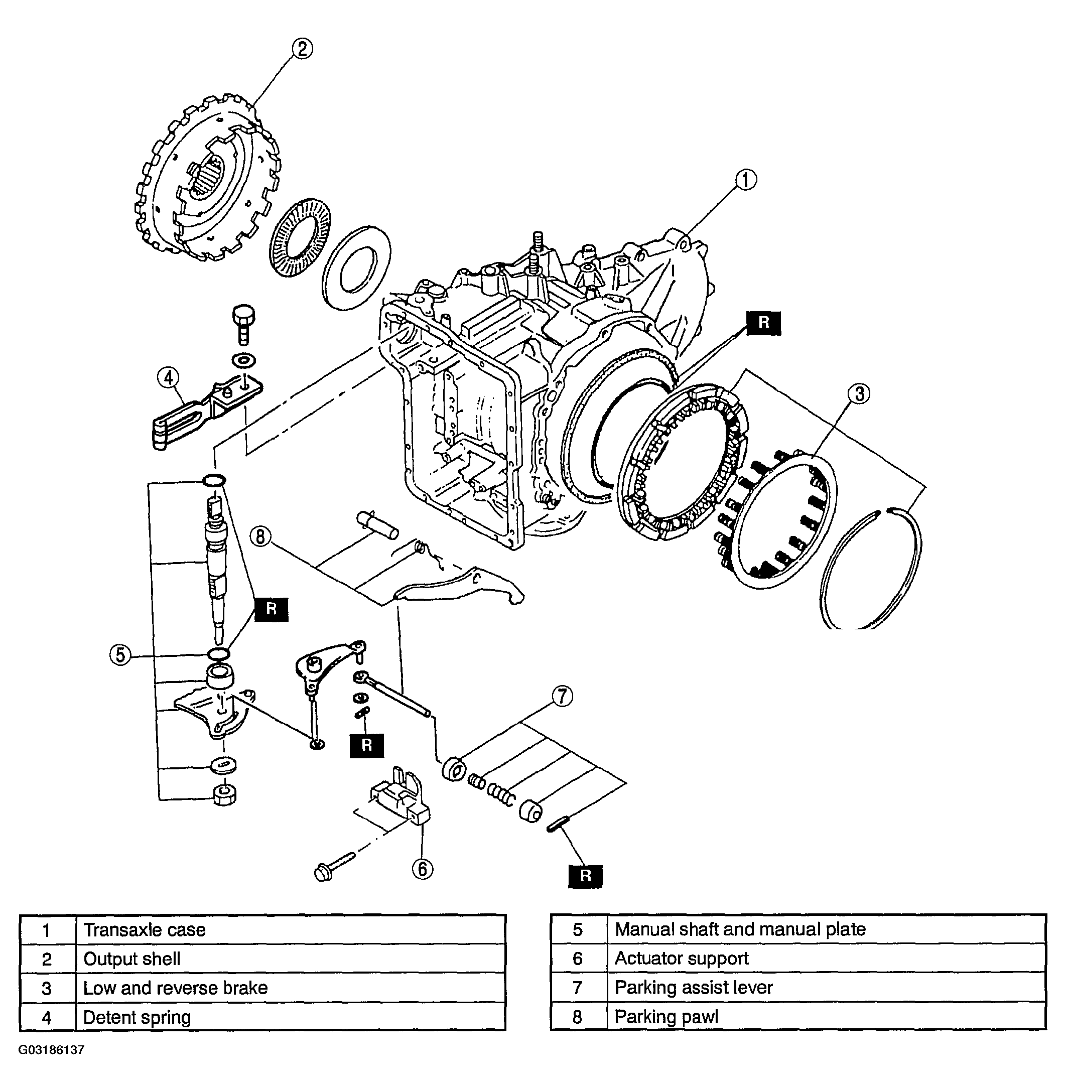
G03186137
Fig 4: Removing Transaxle Components (4 Of 4)
G03186138