LEMON Manuals: Even more car manuals for everyone: 1960-2025
Home >> Mazda >> 2002 >> 626 ES V6-2.5L DOHC >> Repair and Diagnosis >> Powertrain Management >> Computers and Control Systems >> Relays and Modules - Computers and Control Systems >> Body Control Module >> Diagrams >> Diagram Information and Instructions >> Ground Points
April 5, 2026: LEMON Manuals is launched! Read the announcement.

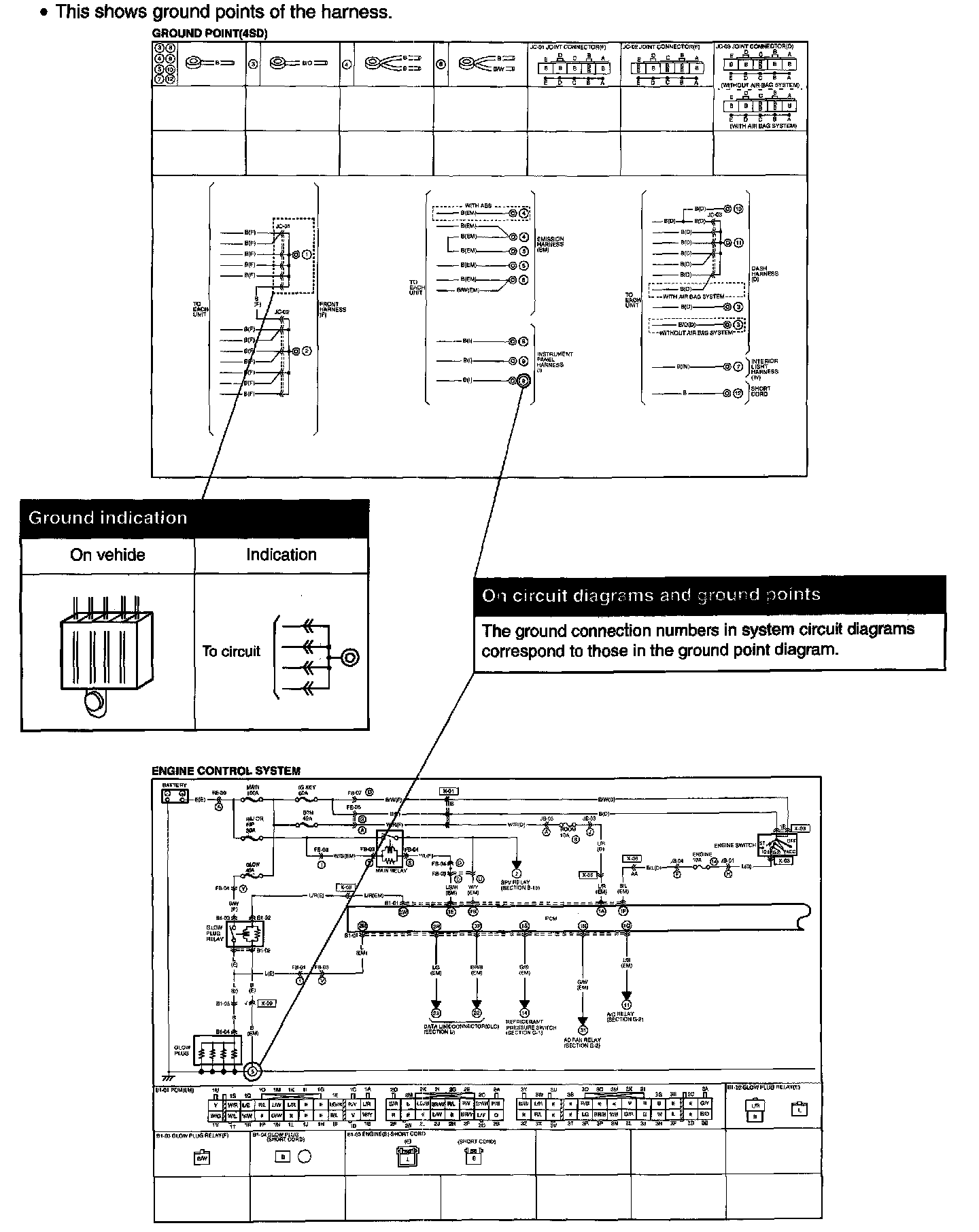
Ground Points

Ground Points: