LEMON Manuals: Even more car manuals for everyone: 1960-2025
Home >> Mazda >> 2002 >> 626 ES V6-2.5L DOHC >> Repair and Diagnosis >> Powertrain Management >> Computers and Control Systems >> Relays and Modules - Computers and Control Systems >> Body Control Module >> Diagrams >> Electrical Diagrams
April 5, 2026: LEMON Manuals is launched! Read the announcement.

Electrical Diagrams

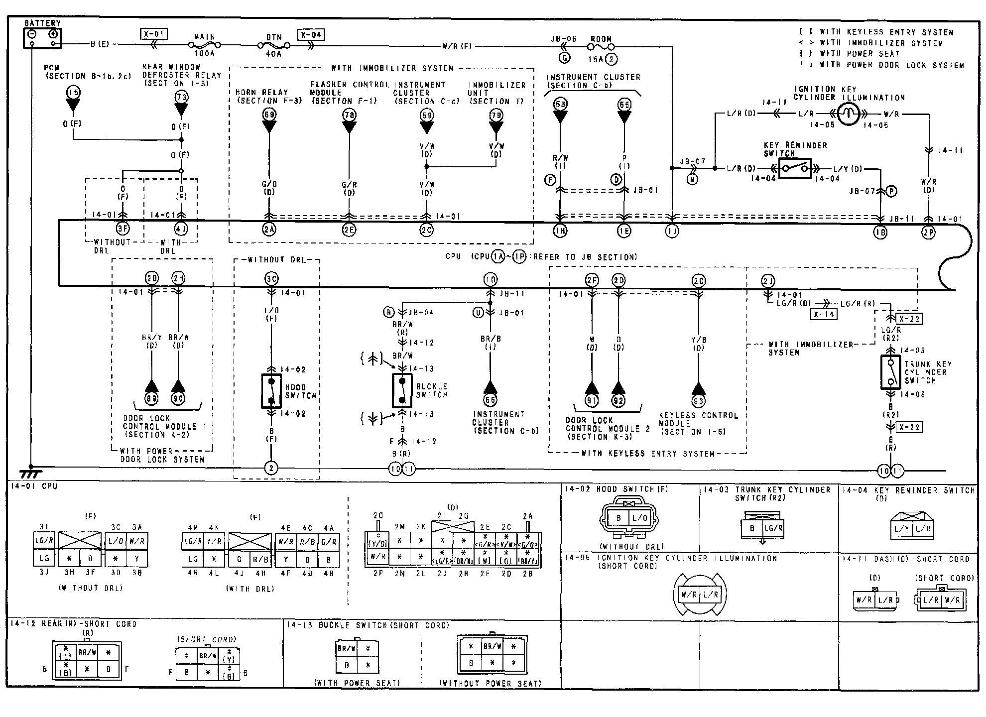
I-4a - Central Processing Unit (CPU) Circuit:




I-4b - Central Processing Unit (CPU) Circuit:




Wiring Diagram

NOTE: To view other sections referred to in these diagrams, see Complete Body and Chassis Diagrams by Section (A Thru Z) Electrical Diagrams