LEMON Manuals: Even more car manuals for everyone: 1960-2025
Home >> Mazda >> 2002 >> MPV ES >> Repair and Diagnosis >> External Pages >> Different car >> Section 372 (Basic System (HVAC)) >> Front A/C Unit Disassembly/Assembly >> Notes
April 5, 2026: LEMON Manuals is launched! Read the announcement.

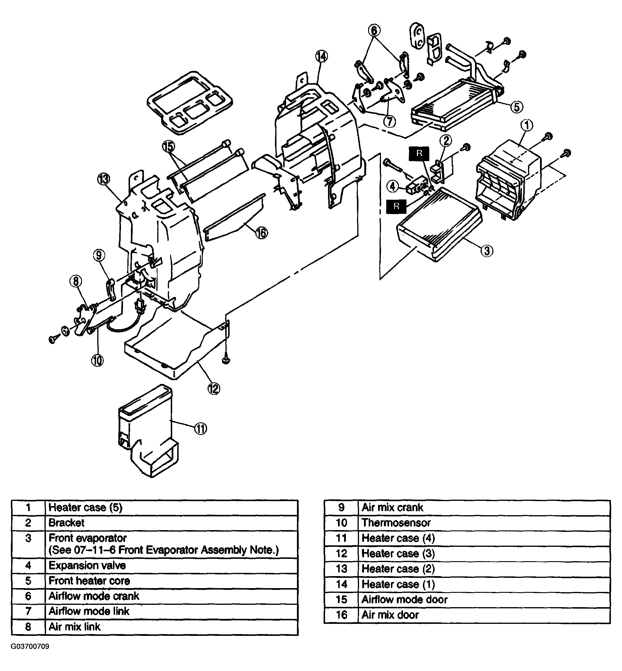
Front A/C Unit Disassembly/Assembly: Notes

WARNING: This page is about a different car, the 2005 Mazda MPV. However, it is still accessible from the selected car via links, so may be relevant.
  1. Disassemble in the order indicated in the table.
    Fig 1: Disassembling Front A/C Unit
    G03700709Courtesy of MAZDA MOTORS CORP.
  2. Assemble in the reverse order of disassembly.