LEMON Manuals: Even more car manuals for everyone: 1960-2025
Home >> Mazda >> 2004 >> 3 i, Automatic >> Repair and Diagnosis >> Engine Performance >> System >> Engine Control System >> Control System Wiring Diagram >> California Emission Regulation Applicable Model
April 5, 2026: LEMON Manuals is launched! Read the announcement.

California Emission Regulation Applicable Model

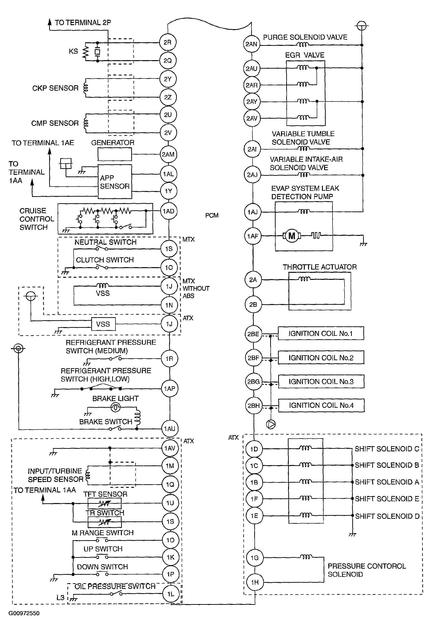
Fig 1: Control System Wiring Diagram-California Emission Regulation Applicable Model (1 Of 2)
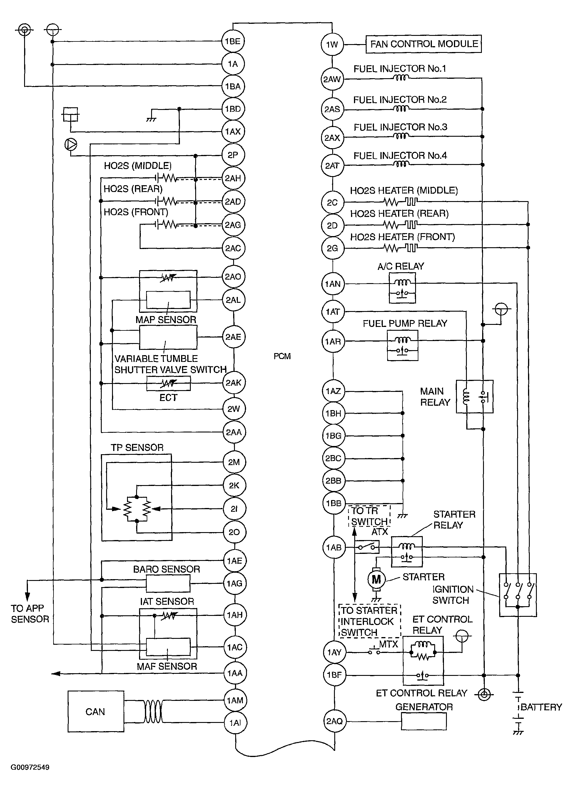
G00972549Courtesy of MAZDA MOTORS CORP.
Fig 2: Control System Wiring Diagram-California Emission Regulation Applicable Model (2 Of 2)
G00972550Courtesy of MAZDA MOTORS CORP.