LEMON Manuals: Even more car manuals for everyone: 1960-2025
Home >> Mazda >> 2005 >> 6 i, 4D Sedan, Standard >> Repair and Diagnosis >> Engine Performance >> Engine Control Systems >> Engine Control System (L3) >> Control System Wiring Diagram >> California Emission Regulation Applicable ATX Model
April 5, 2026: LEMON Manuals is launched! Read the announcement.

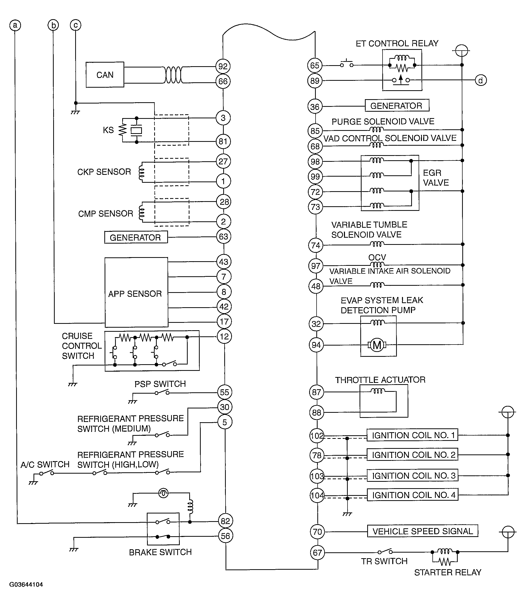
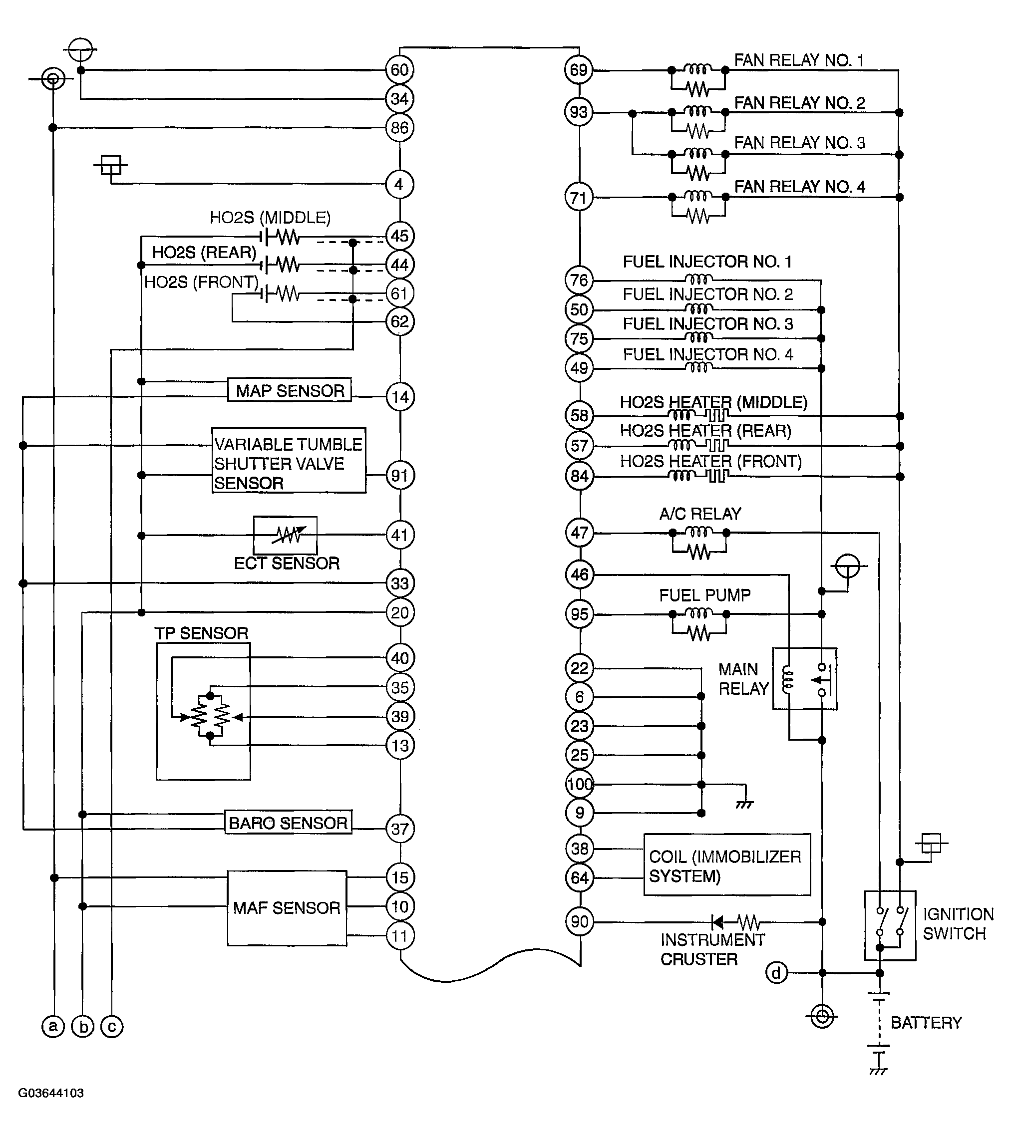
California Emission Regulation Applicable ATX Model

Fig 1: Control System Wiring Diagram [L3] (California Emission Regulation Applicable ATX Model) (1 Of 2)
G03644103Courtesy of MAZDA MOTORS CORP.
Fig 2: Control System Wiring Diagram [L3] (California Emission Regulation Applicable ATX Model) (2 Of 2)
G03644104Courtesy of MAZDA MOTORS CORP.