LEMON Manuals: Even more car manuals for everyone: 1960-2025
Home >> Mazda >> 2007 >> 3 i, 2.0 F, Automatic >> Repair and Diagnosis >> Engine Performance >> Engine Control Systems >> Engine Control System (LF, L3) >> Control System Wiring Diagram >> California Emission Regulation Applicable Model with LF ATX
April 5, 2026: LEMON Manuals is launched! Read the announcement.

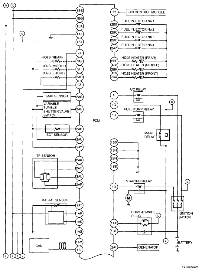
California Emission Regulation Applicable Model with LF ATX

Fig 1: Control System Wiring Diagram - California Emission Regulation Applicable Model With LF ATX (1 Of 2)
G04955184Courtesy of MAZDA MOTORS CORP.
Fig 2: Control System Wiring Diagram - California Emission Regulation Applicable Model With LF ATX (2 Of 2)
G04955185Courtesy of MAZDA MOTORS CORP.