LEMON Manuals: Even more car manuals for everyone: 1960-2025
Home >> Mazda >> 2007 >> 3 i, 2.0 F, Automatic >> Repair and Diagnosis >> Engine Performance >> Engine Control Systems >> Engine Control System (LF, L3) >> Control System Wiring Diagram >> California Emission Regulation Applicable Model with LF MTX, L3
April 5, 2026: LEMON Manuals is launched! Read the announcement.

California Emission Regulation Applicable Model with LF MTX, L3

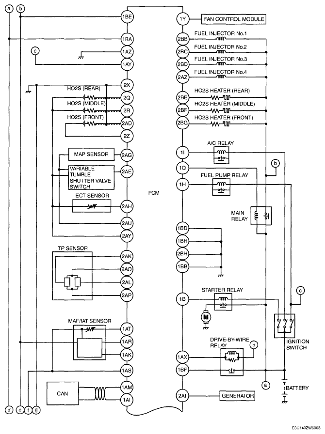
Fig 1: Control System Wiring Diagram - California Emission Regulation Applicable Model With LF MTX, L3 (1 Of 2)
G04955186Courtesy of MAZDA MOTORS CORP.
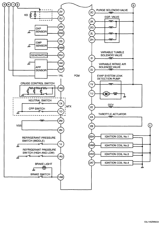
Fig 2: Control System Wiring Diagram - California Emission Regulation Applicable Model With LF MTX, L3 (2 Of 2)
G04955187Courtesy of MAZDA MOTORS CORP.