LEMON Manuals: Even more car manuals for everyone: 1960-2025
Home >> Mazda >> 2007 >> 6 Mazdaspeed >> Repair and Diagnosis >> Engine Performance >> System >> Symptom Troubleshooting [Engine Control System L3 With TC) >> Engine Control System Wiring Diagram
April 5, 2026: LEMON Manuals is launched! Read the announcement.

Engine Control System Wiring Diagram

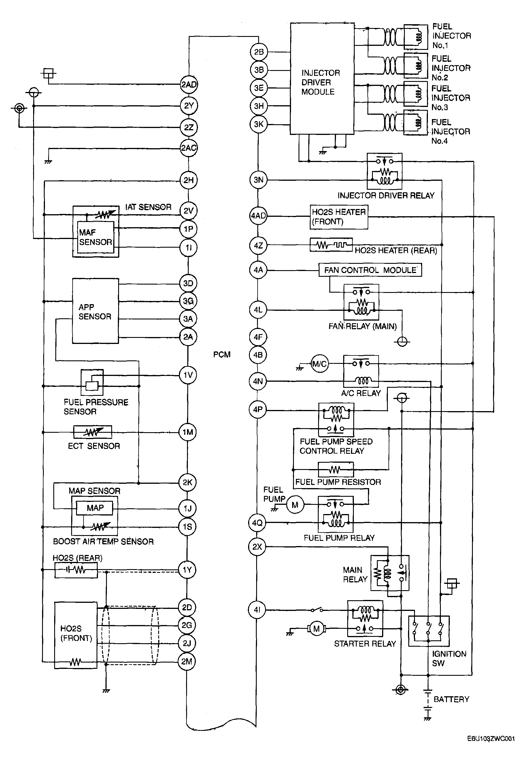
Fig 1: Engine Control System Wiring Diagram [L3 With TC] (1 Of 2)
G04324249Courtesy of MAZDA MOTORS CORP.
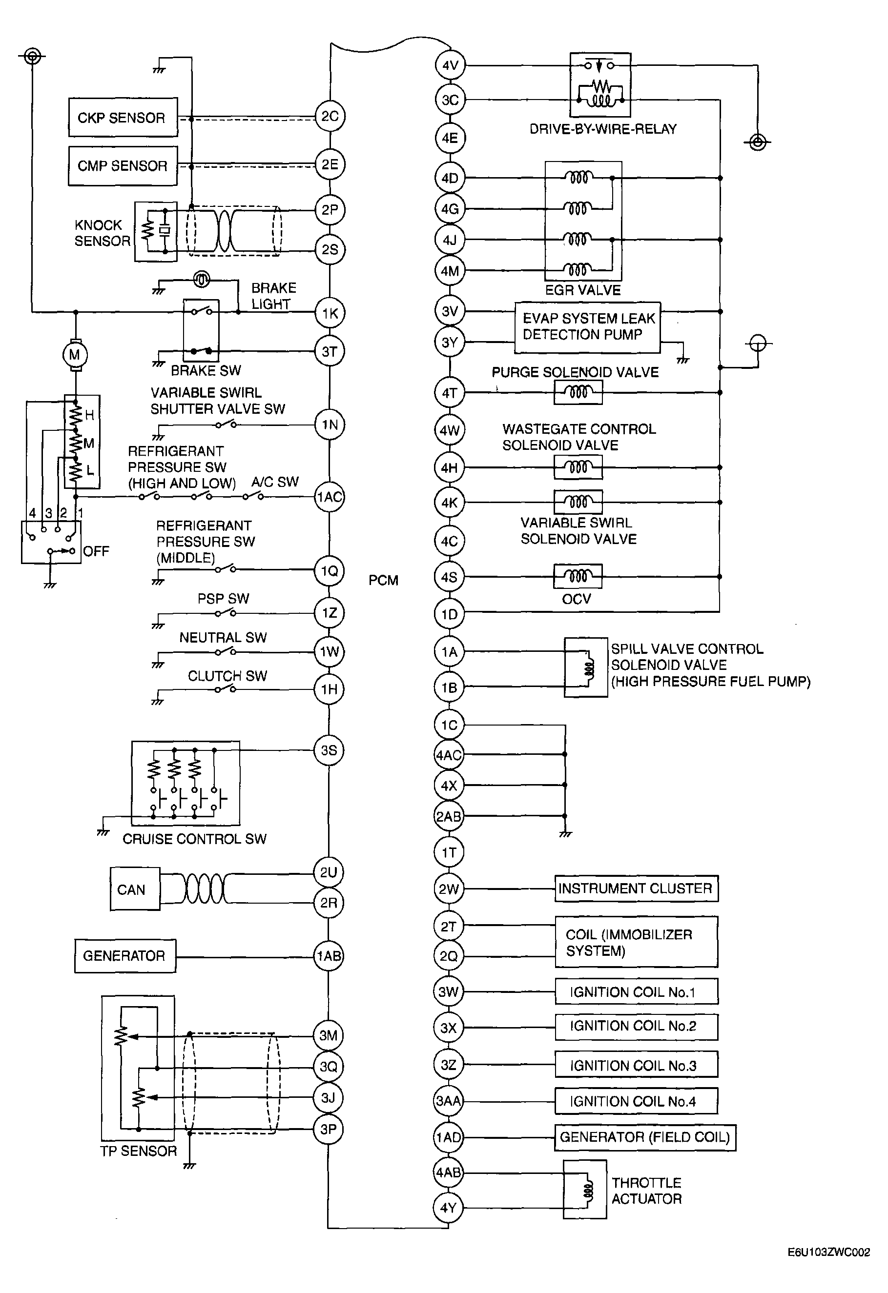
Fig 2: Engine Control System Wiring Diagram [L3 With TC] (2 Of 2)
G04324250Courtesy of MAZDA MOTORS CORP.