LEMON Manuals: Even more car manuals for everyone: 1960-2025
Home >> Mazda >> 2007 >> 6 i, 4D Hatchback, Automatic >> Repair and Diagnosis >> Engine Performance >> Engine Control Systems >> Engine Control System (L3) >> Control System Wiring Diagram >> Except for California Emission Regulation Applicable ATX Model
April 5, 2026: LEMON Manuals is launched! Read the announcement.

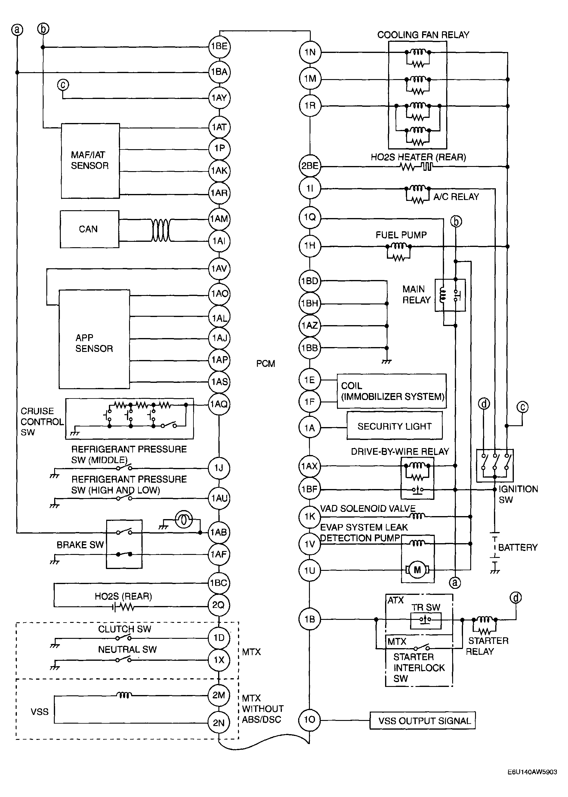
Except for California Emission Regulation Applicable ATX Model

Fig 1: Except California Emission Regulation Applicable ATX Model - Control System Wiring Diagram (1 Of 2)
G04325116Courtesy of MAZDA MOTORS CORP.
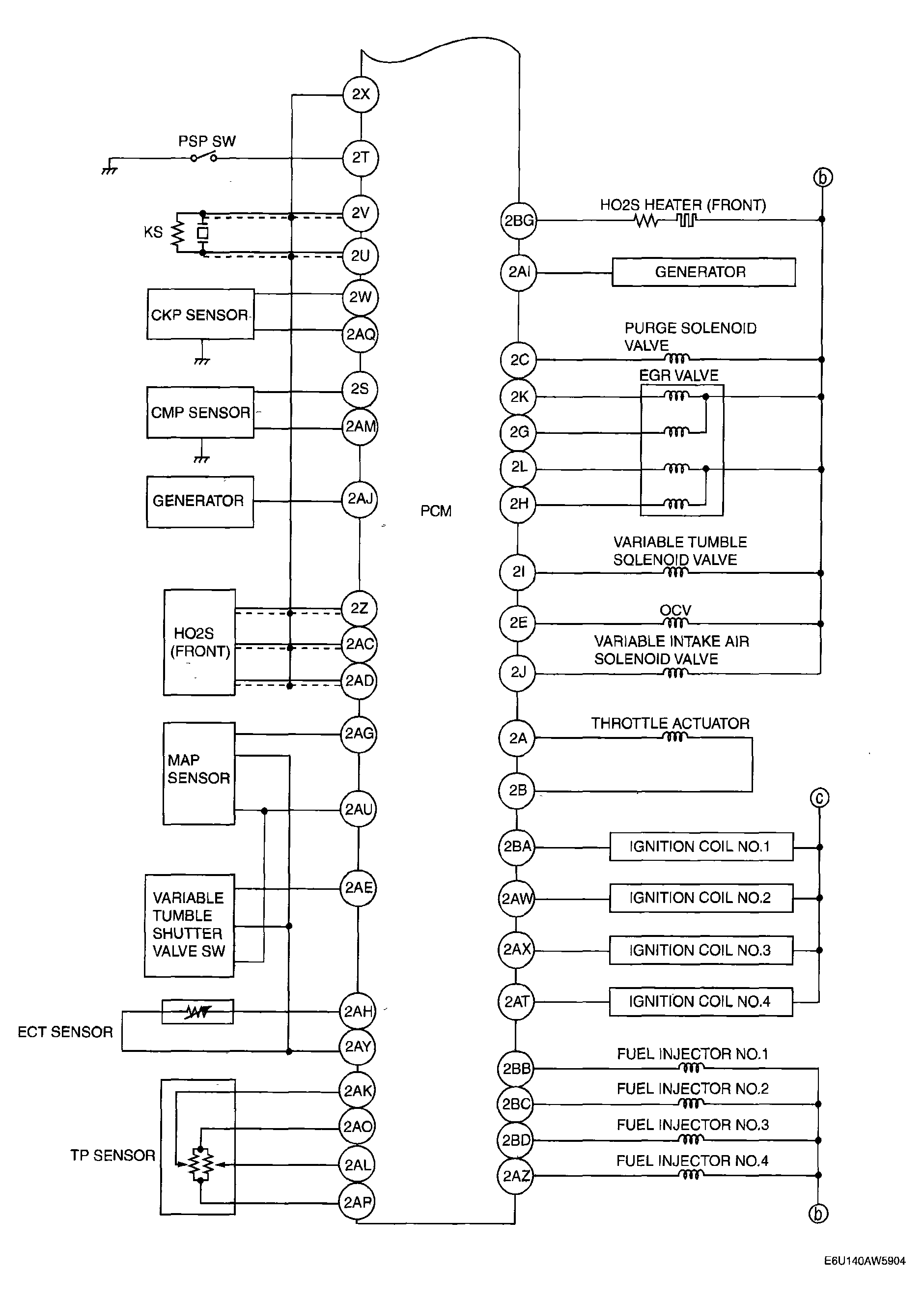
Fig 2: Except California Emission Regulation Applicable ATX Model - Control System Wiring Diagram (2 Of 2)
G04325117Courtesy of MAZDA MOTORS CORP.