LEMON Manuals: Even more car manuals for everyone: 1960-2025
Home >> Mazda >> 2007 >> 6 s, 4D Hatchback, Standard >> Repair and Diagnosis >> Engine Performance >> Engine Control Systems >> Engine Control System (AJ) >> Control System Wiring Diagram
April 5, 2026: LEMON Manuals is launched! Read the announcement.

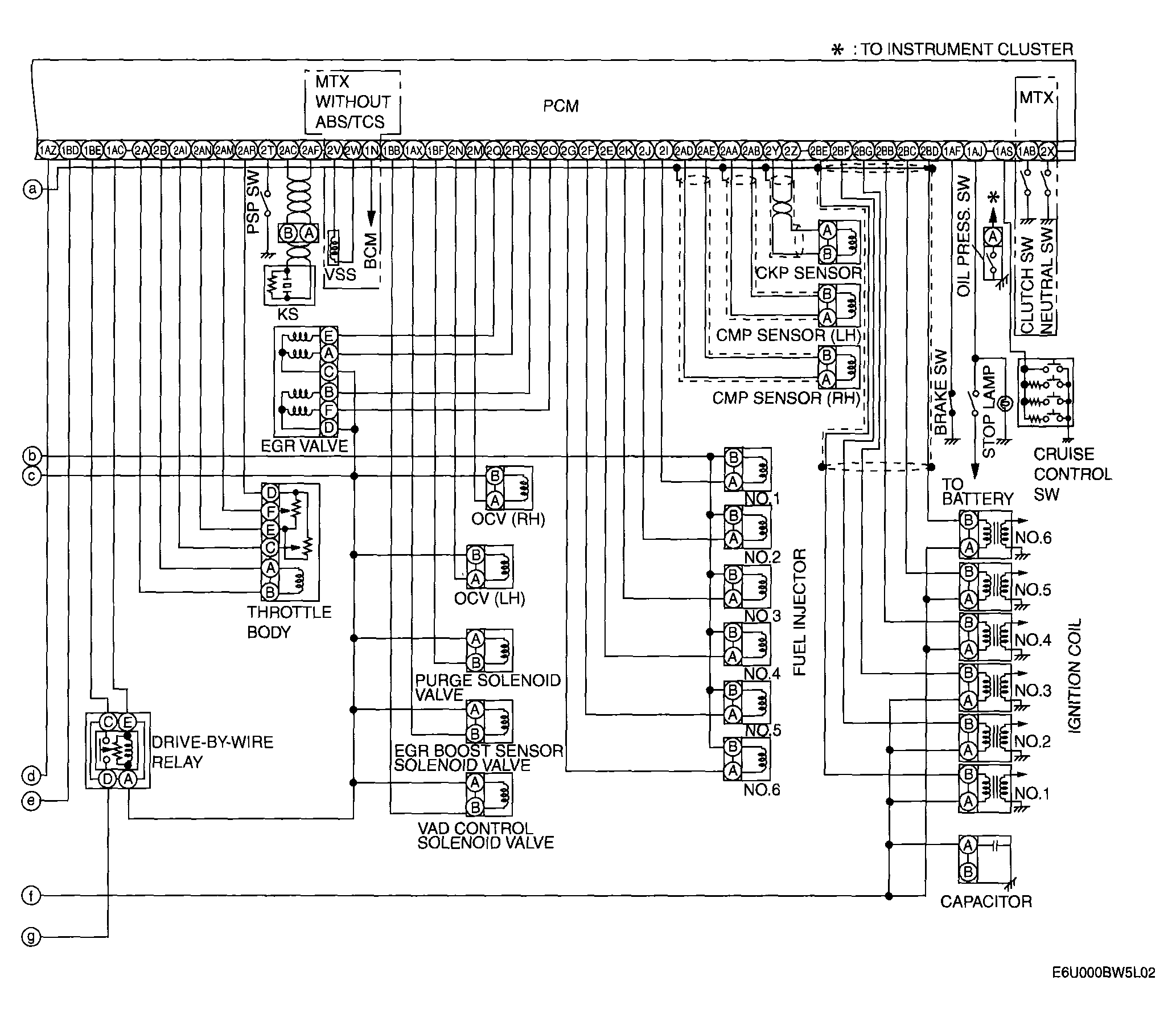
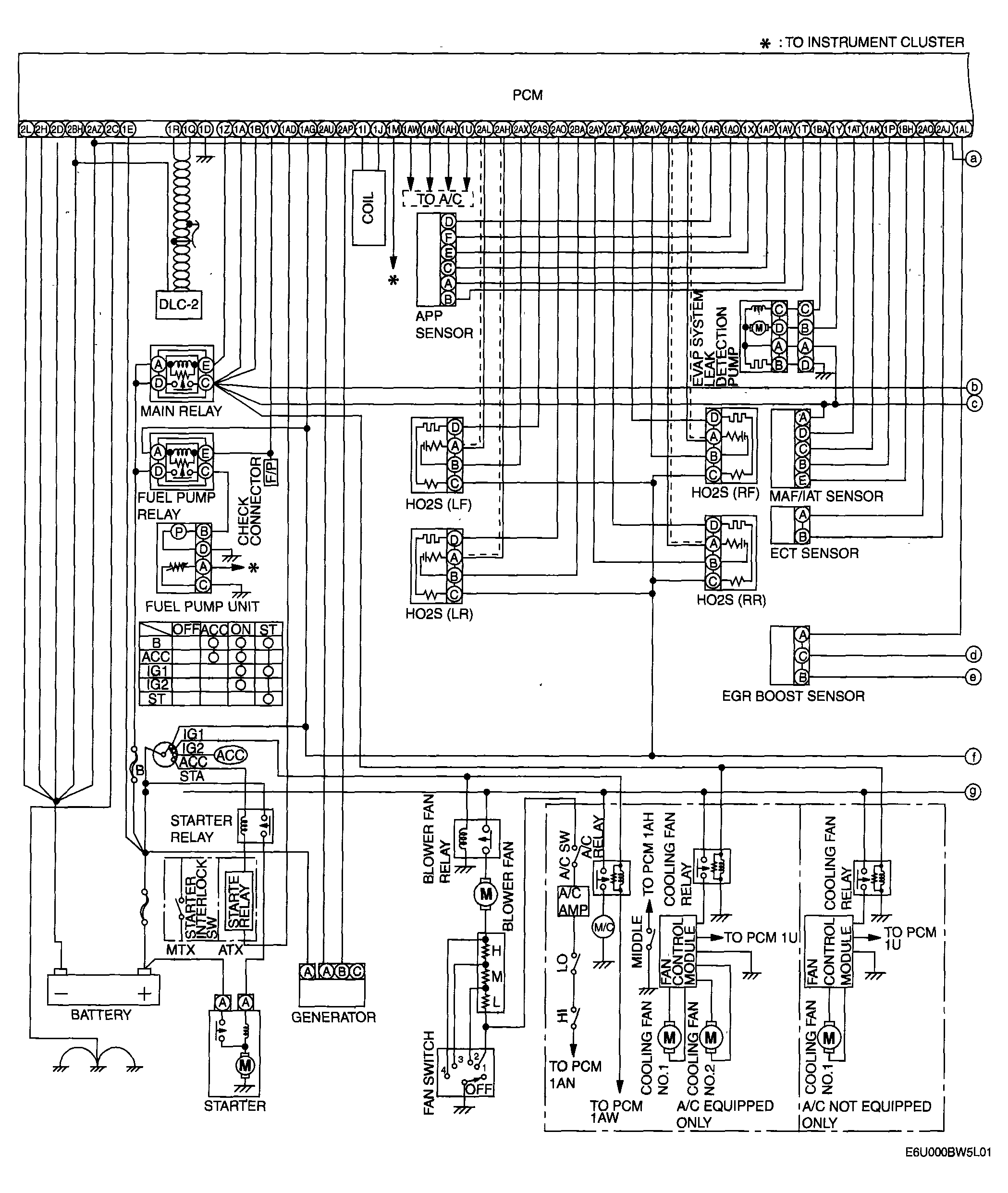
Control System Wiring Diagram

Fig 1: Control System - Wiring Diagram (1 Of 2)
G04325283Courtesy of MAZDA MOTORS CORP.
Fig 2: Control System - Wiring Diagram (2 Of 2)
G04325284Courtesy of MAZDA MOTORS CORP.