LEMON Manuals: Even more car manuals for everyone: 1960-2025
Home >> Mazda >> 2008 >> 6 L4-2.3L >> Repair and Diagnosis >> Specifications >> Mechanical Specifications >> Engine >> Intake Manifold
April 5, 2026: LEMON Manuals is launched! Read the announcement.

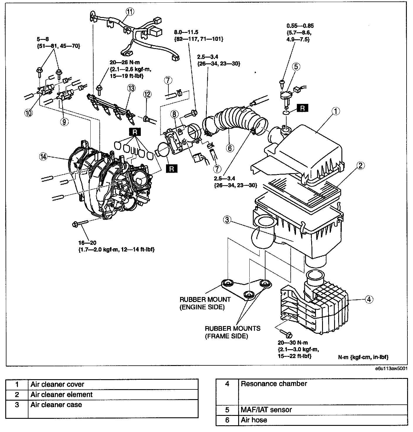
Intake Manifold

INTAKE AIR SYSTEM [L3]

Remove in the order indicated in the table.
Install in the reverse order of removal.

Part 1:




Part 2: