LEMON Manuals: Even more car manuals for everyone: 1960-2025
Home >> Mazda >> 2009 >> 5 Sport, 2.3 L, Automatic >> Repair and Diagnosis >> Engine Performance >> Engine Control Systems >> Engine Control System (L3) >> Control System Wiring Diagram [L3]
April 5, 2026: LEMON Manuals is launched! Read the announcement.

Control System Wiring Diagram [L3]

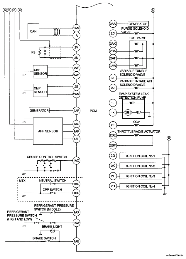
Fig 1: Control System Wiring Diagram (1 Of 2)
G05542924Courtesy of MAZDA MOTORS CORP.
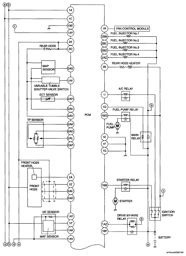
Fig 2: Control System Wiring Diagram (2 Of 2)
G05542925Courtesy of MAZDA MOTORS CORP.