LEMON Manuals: Even more car manuals for everyone: 1960-2025
Home >> Mazda >> 2009 >> 6 s Touring >> Repair and Diagnosis >> Steering >> Power Steering >> Power Steering System >> Steering Wheel And Column Removal/Installation [Without Advanced Keyless Entry And Push Button Start System] >> Steering Lock Component, Steering Lock Mounting Bolt Installation Note
April 5, 2026: LEMON Manuals is launched! Read the announcement.

Steering Lock Component, Steering Lock Mounting Bolt Installation Note

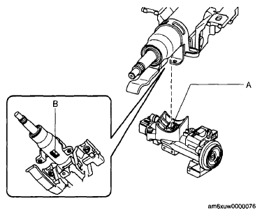
  1. Assemble section A of the steering lock component to the section B of the steering shaft.
  2. Temporarily install the steering lock component to the steering shaft using a new steering lock mounting bolt.
    Fig 1: Identifying Assemble Section Position Of Steering Lock Component
    G06200209Courtesy of MAZDA MOTORS CORP.
  3. Tighten the steering lock mounting bolt until the head breaks off.
    Fig 2: Tightening Steering Lock Mounting Bolt Using Torque Wrench
    G06200210Courtesy of MAZDA MOTORS CORP.