LEMON Manuals: Even more car manuals for everyone: 1960-2025
Home >> Mazda >> 2011 >> 3 L4-2.5L >> Repair and Diagnosis >> Body and Frame >> Locks >> Keyless Entry >> Testing and Inspection >> Scan Tool Testing and Procedures >> Keyless Entry System Wiring Diagram - Keyless Entry System
April 5, 2026: LEMON Manuals is launched! Read the announcement.

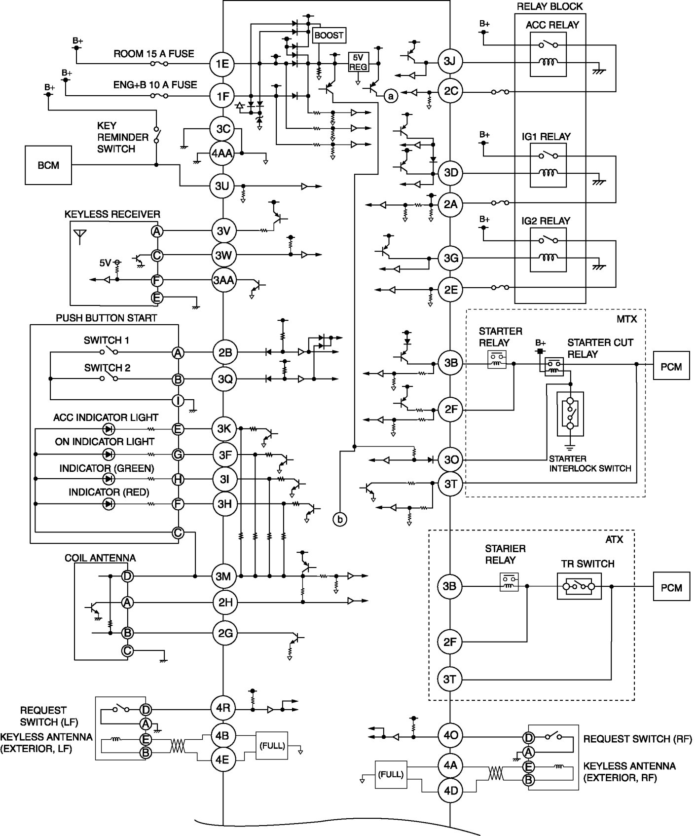
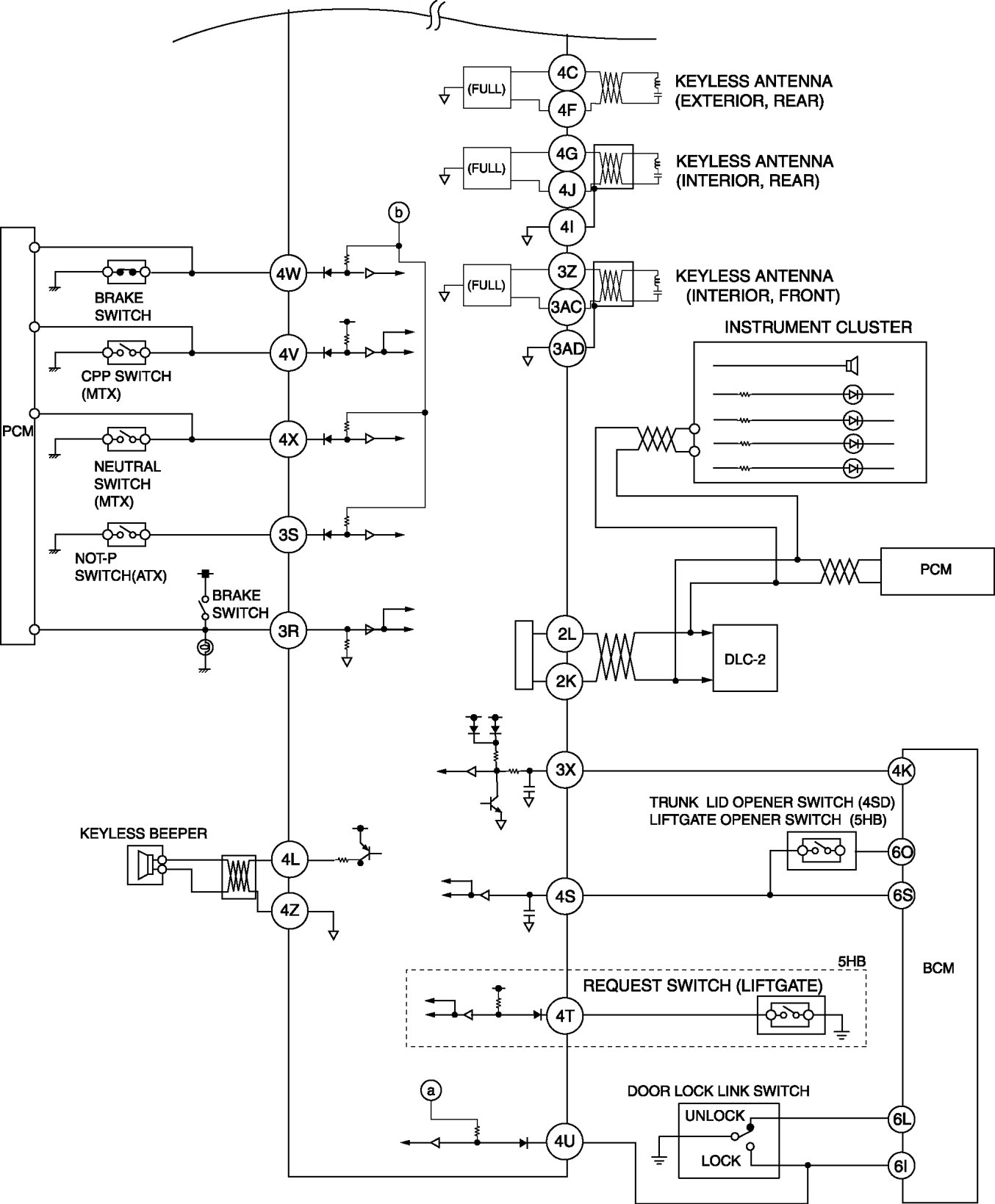
Keyless Entry System Wiring Diagram - Keyless Entry System




ON-BOARD DIAGNOSTIC WIRING DIAGRAM [ADVANCED KEYLESS ENTRY AND PUSH BUTTON START SYSTEM]