LEMON Manuals: Even more car manuals for everyone: 1960-2025
Home >> Mazda >> 2011 >> 3 i Touring, 2.0 F, Standard >> Repair and Diagnosis >> Engine Performance >> Engine Control Systems >> Engine Control System [LF, L5] >> Control System Wiring Diagram
April 5, 2026: LEMON Manuals is launched! Read the announcement.

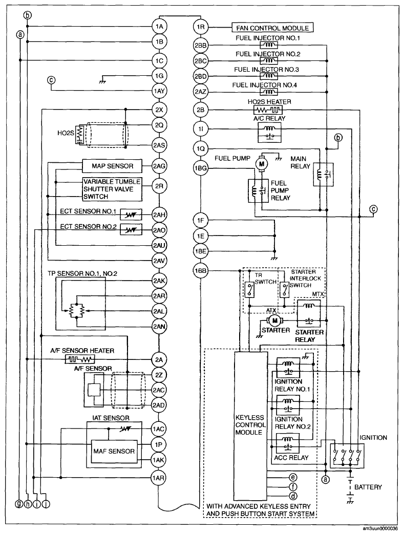
Control System Wiring Diagram

Fig 1: Control System Wiring Diagram (1 Of 2)
G07868491Courtesy of MAZDA MOTORS CORP.
Fig 2: Control System Wiring Diagram (2 Of 2)
G07868492Courtesy of MAZDA MOTORS CORP.