LEMON Manuals: Even more car manuals for everyone: 1960-2025
Home >> Mazda >> 2011 >> 6 i Touring >> Repair and Diagnosis >> Body & Frame >> Windows >> Symptom Troubleshooting [Power Window Systems - Auto-Open/Close Function) >> Power Window System Wiring Diagram [Power Window Systems (Auto-Open/Close Function)] >> Power Window Subswitch
April 5, 2026: LEMON Manuals is launched! Read the announcement.

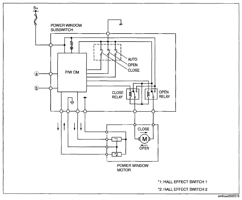
Power Window Subswitch

Fig 1: Power Window Subswitch Wiring Diagram [Power Window Systems (Auto-Open/Close Function)]
G07621765Courtesy of MAZDA MOTORS CORP.