LEMON Manuals: Even more car manuals for everyone: 1960-2025
Home >> Mazda >> 2011 >> CX-7 AWD L4-2.3L Turbo >> Repair and Diagnosis >> Diagrams >> Exploded Views >> Engine
April 5, 2026: LEMON Manuals is launched! Read the announcement.

Engine




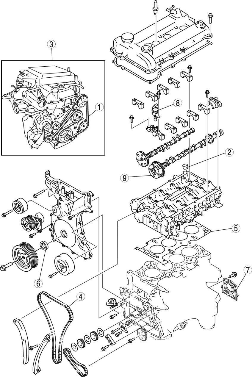
ENGINE LOCATION INDEX [L3 WITH TC]