LEMON Manuals: Even more car manuals for everyone: 1960-2025
Home >> Mazda >> 2011 >> RX8 2RTR-1.3L >> Repair and Diagnosis >> Power and Ground Distribution >> Relay Box >> Testing and Inspection
April 5, 2026: LEMON Manuals is launched! Read the announcement.

Relay Box: Testing and Inspection




RELAY INSPECTION

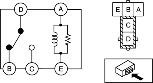
Relay type





Type A

1. Verify the continuity between the relay terminals.






- If not as indicated in the table, replace the relay.





Type B

1. Verify the continuity between the relay terminals.






- If not as indicated in the table, replace the relay.





Type C

1. Verify the continuity between the relay terminals.






- If not as indicated in the table, replace the relay.