LEMON Manuals: Even more car manuals for everyone: 1960-2025
Home >> Mazda >> 2012 >> 6 s Touring Plus >> Repair and Diagnosis >> External Pages >> Different car >> Section 588 (Symptom Troubleshooting [Advanced Keyless Entry System And Push Button Start System)) >> Keyless Entry System Wiring Diagram [Advanced Keyless Entry And Push Button Start System]
April 5, 2026: LEMON Manuals is launched! Read the announcement.

Keyless Entry System Wiring Diagram [Advanced Keyless Entry And Push Button Start System]

WARNING: This page is about a different car, the 2009 Mazda 6. However, it is still accessible from the selected car via links, so may be relevant.
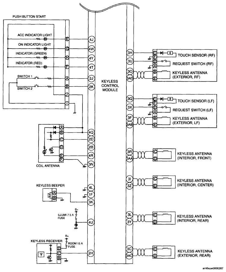
Fig 1: Keyless Entry System - Wiring Diagram (1 Of 2)
G06200642Courtesy of MAZDA MOTORS CORP.
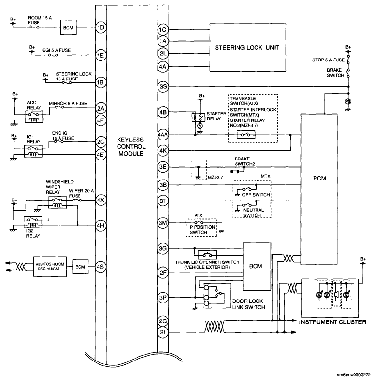
Fig 2: Keyless Entry System - Wiring Diagram (2 Of 2)
G06199655Courtesy of MAZDA MOTORS CORP.