LEMON Manuals: Even more car manuals for everyone: 1960-2025
Home >> Mazda >> 2012 >> 6 s Touring Plus >> Repair and Diagnosis >> Steering >> Power Steering >> Power Steering System >> Steering Wheel And Column Removal/Installation [With Advanced Keyless Entry And Push Button Start System] >> Steering Lock Component, Steering Lock Mounting Bolt Installation Note
April 5, 2026: LEMON Manuals is launched! Read the announcement.

Steering Lock Component, Steering Lock Mounting Bolt Installation Note

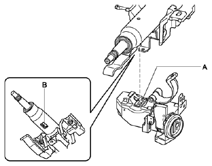
  1. Assemble section A of the steering lock component to the section B of the steering shaft.
    Fig 1: Installing Steering Lock Component And Mounting Bolt
    G08143414
  2. Set the set cover to the steering shaft and then temporarily install the steering lock component to the steering shaft using a new steering lock mounting bolt.
    Fig 2: Setting Set Cover To Steering Shaft
    G08143415
  3. Tighten the steering lock mounting bolt until the head breaks off.
    Fig 3: Tightening Steering Lock Mounting Bolt
    G08143416