LEMON Manuals: Even more car manuals for everyone: 1960-2025
Home >> Mazda >> 2012 >> Mazdaspeed3 L4-2.3L Turbo >> Repair and Diagnosis >> Power and Ground Distribution >> Relay Box >> Testing and Inspection >> Relay Inspection
April 5, 2026: LEMON Manuals is launched! Read the announcement.

Relay Inspection





RELAY INSPECTION [MZR 2.0, MZR 2.5, MZR 2.3 DISI Turbo]

Relay Type





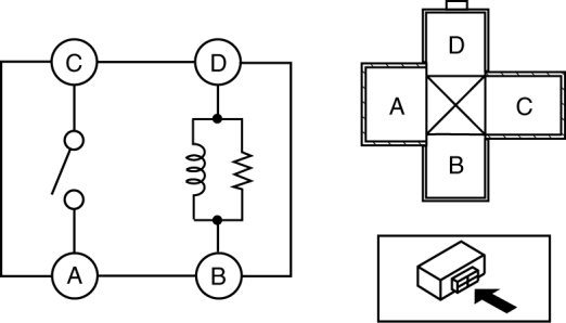
Type A

1. Verify that the continuity is as indicated in the table.






- If not as indicated in the table, replace the relay.





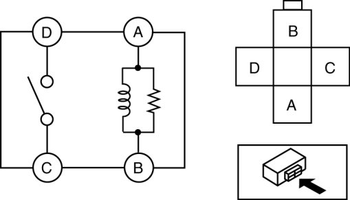
Type B

1. Verify that the continuity is as indicated in the table.






- If not as indicated in the table, replace the relay.





Type C

1. Verify that the continuity is as indicated in the table.






- If not as indicated in the table, replace the relay.





Type D

1. Verify that the continuity is as indicated in the table.






- If not as indicated in the table, replace the relay.