LEMON Manuals: Even more car manuals for everyone: 1960-2025
Home >> Mazda >> 2014 >> 3 SV, Automatic Trans >> Repair and Diagnosis >> Engine Performance >> Engine Control Systems >> Control System Diagram
April 5, 2026: LEMON Manuals is launched! Read the announcement.

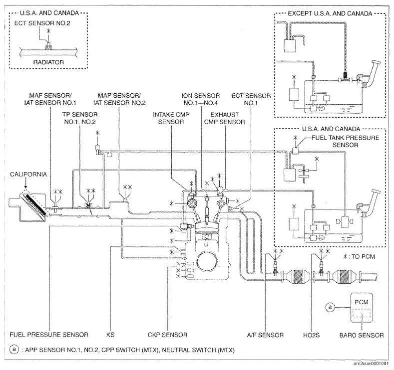
Control System Diagram

Fig 1: Control - System Diagram (SKYACTIV-G 2.0, SKYACTIV-G 2.5)
G09796864Courtesy of MAZDA MOTORS CORP.