LEMON Manuals: Even more car manuals for everyone: 1960-2025
Home >> Mazda >> 2015 >> 3 SV, Automatic Trans >> Repair and Diagnosis (Single Page) >> Quick Lookups >> Wiring Diagrams >> OEM Wiring System >> System Wiring Schematics/Diagrams >> Body Control & Accessories >> Glass/Window/Mirror Systems >> Power Window System (Auto-Open/Close Function For Driver-Side Window)
April 5, 2026: LEMON Manuals is launched! Read the announcement.

Power Window System (Auto-Open/Close Function For Driver-Side Window)

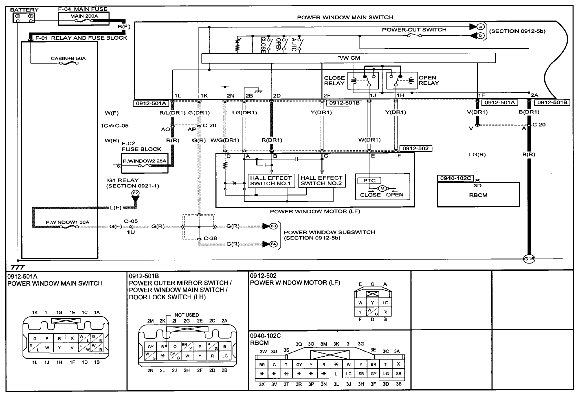
Fig 1: Power Window System - Auto-Open/Close Function For Driver-Side Window Communication Diagram (0912-5A)
G09756478Courtesy of MAZDA MOTORS CORP.
Fig 2: Power Window System - Auto-Open/Close Function For Driver-Side Window Wiring Harness Connectors (0912-5A)
G09756479Courtesy of MAZDA MOTORS CORP.
Fig 3: Power Window System - Auto-Open/Close Function For Driver-Side Window Communication Diagram (0912-5B)
G09756480Courtesy of MAZDA MOTORS CORP.
Fig 4: Power Window System - Auto-Open/Close Function For Driver-Side Window Wiring Harness Connectors (0912-5B)
G09756481Courtesy of MAZDA MOTORS CORP.