LEMON Manuals: Even more car manuals for everyone: 1960-2025
Home >> Mazda >> 2017 >> 5 GS, Automatic Trans >> Repair and Diagnosis >> Brakes >> Traction Control >> Dynamic Stability Control (Service Information) >> DSC HU/Cm Removal/Installation >> Notes
April 5, 2026: LEMON Manuals is launched! Read the announcement.

DSC HU/Cm Removal/Installation: Notes

CAUTION:
  • The internal parts of the DSC HU/CM could be damaged if dropped. Be careful not to drop the DSC HU/CM. Replace the DSC HU/CM if it is subjected to an impact.
  • If the DSC HU/CM configuration is not completed, it could result in an unexpected accident due to the DSC being inoperative. If the DSC HU/CM is replaced, always use the automatic configuration function so that the DSC operation conditions are correct.
  • If the DSC sensor initialization procedure is not completed, the DSC will not operate properly and it might cause an unexpected accident. Therefore, after replacing or removing the DSC HU/CM, make sure to perform the DSC sensor initialization procedure to insure proper DSC operation.
NOTE:
  • When the ignition is switched to ON or the engine is started after the DSC HU/CM have been replaced, the DSC CM reads data from the instrument cluster via CAN communication to perform automatic configuration.
  1. Remove the battery and battery tray. (See BATTERY REMOVAL/INSTALLATION [MZR 2.5] .)
  2. For MTX vehicles, disconnect the reserve hose (No. 2 brake fluid reserve tank side). (See MASTER CYLINDER REMOVAL/INSTALLATION .)
  3. Remove the No. 1 brake fluid reserve tank installation nuts. (See MASTER CYLINDER REMOVAL/INSTALLATION .)
  4. Set the No. 1 brake fluid reserve tank out of the way.
  5. Remove in the order indicated in the table.
  6. Install in the reverse order of removal.
  7. Add brake fluid, bleed the brakes, and inspect for leakage after the installation has been completed. (See BRAKE FLUID AIR BLEEDING .)
  8. Switch the ignition to ON or start the engine, and maintain this condition for approx. 30 s to allow the DSC HU/CM automatic configuration to be performed.
  9. Perform the DSC sensor initialization procedures. (See DSC SENSOR INITIALIZATION PROCEDURE .)
  10. Clear the DTCs from the memory. (See ON-BOARD DIAGNOSIS [DYNAMIC STABILITY CONTROL (DSC)] .)
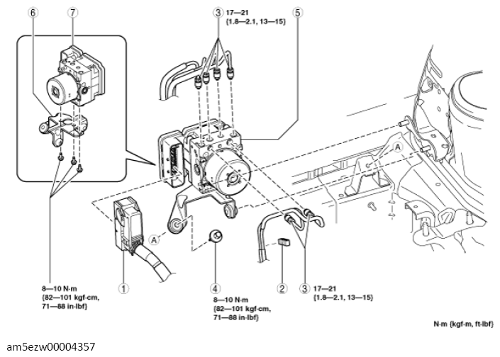
Fig 1: DSC HU/CM Components With Torque Specification
G13727241Courtesy of MAZDA MOTORS CORP.
PART DESCRIPTION

1 Connector
(See CONNECTOR REMOVAL NOTE .)
(See CONNECTOR INSTALLATION NOTE .)
2 Brake pipe holder
3 Brake pipe
(See BRAKE PIPE REMOVAL NOTE .)
(See BRAKE PIPE INSTALLATION NOTE .)
4 Bolt
5 DSC HU/CM, bracket
(See DSC HU/CM, BRACKET REMOVAL NOTE .)
6 Bracket
7 DSC HU/CM