LEMON Manuals: Even more car manuals for everyone: 1960-2025
Home >> Mazda >> 2017 >> 5 GS, Standard Trans >> Repair and Diagnosis >> Engine Performance >> Engine Control Systems >> Control System Wiring Diagram
April 5, 2026: LEMON Manuals is launched! Read the announcement.

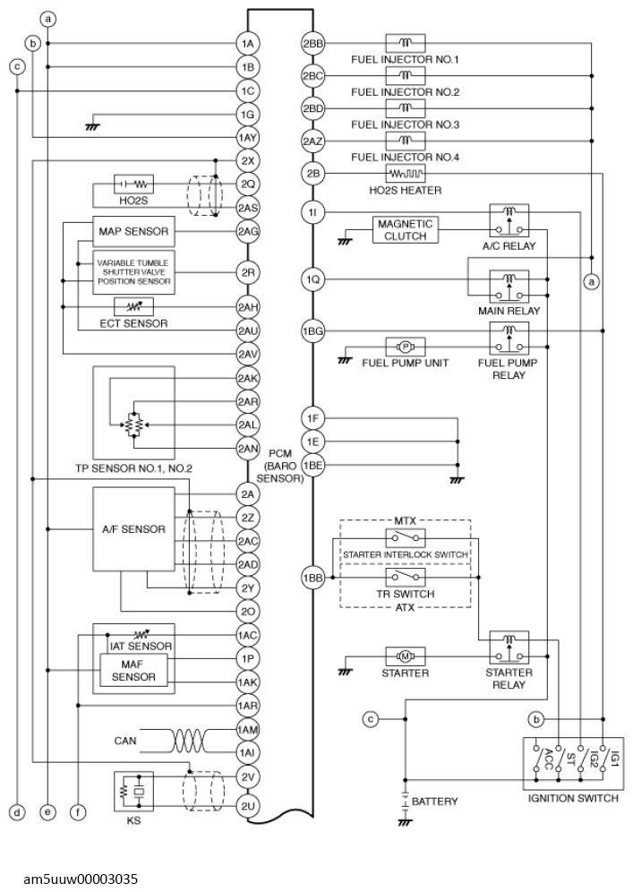
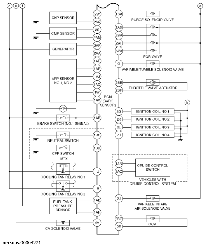
Control System Wiring Diagram

G13726871Courtesy of MAZDA MOTORS CORP.
G13726872Courtesy of MAZDA MOTORS CORP.