LEMON Manuals: Even more car manuals for everyone: 1960-2025
Home >> Mazda >> 2017 >> CX-5 Grand Select, FWD >> Repair and Diagnosis >> Engine Performance >> Engine Control Systems >> Control System Diagram
April 5, 2026: LEMON Manuals is launched! Read the announcement.

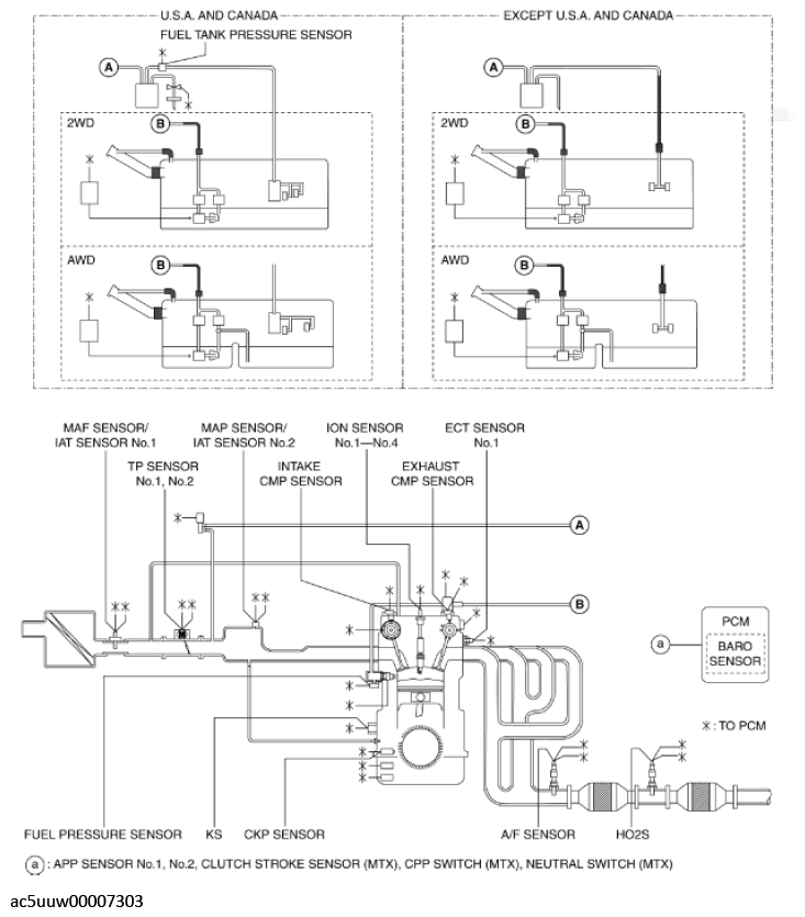
Control System Diagram

Fig 1: Fuel Tank Pressure Control System Diagram
G11427355Courtesy of MAZDA MOTORS CORP.