LEMON Manuals: Even more car manuals for everyone: 1960-2025
Home >> Mazda >> 2018 >> MX-5 Miata Club, Standard Trans >> Repair and Diagnosis >> Restraints >> Air Bag, SRS >> On-Board Diagnostic - SAS Control Module - Two-Step Deployment Control System >> On-Board Diagnostic Wiring Diagram (SAS Control Module (Two-Step Deployment Control System))
April 5, 2026: LEMON Manuals is launched! Read the announcement.

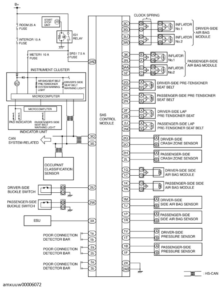
On-Board Diagnostic Wiring Diagram (SAS Control Module (Two-Step Deployment Control System))

Fig 1: SAS Control Module - Wiring Diagram
G11276757Courtesy of MAZDA MOTORS CORP.
Fig 2: Identifying SAS Control Module Connector Terminals
G11276758Courtesy of MAZDA MOTORS CORP.