LEMON Manuals: Even more car manuals for everyone: 1960-2025
Home >> Mazda >> 2021 >> CX-3 AWD >> Repair and Diagnosis >> External Pages >> Different car >> Section 44 (On-Board Diagnostic - Adaptive Front Lighting System Control Module) >> On-Board Diagnostic Wiring Diagram
April 5, 2026: LEMON Manuals is launched! Read the announcement.

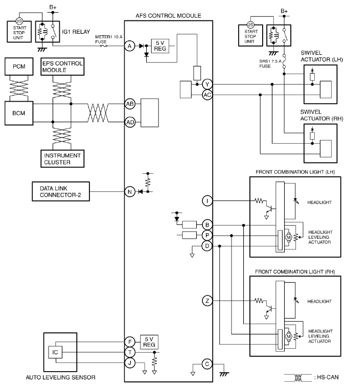
On-Board Diagnostic Wiring Diagram

WARNING: This page is about a different car, the 2016 Mazda CX-3. However, it is still accessible from the selected car via links, so may be relevant.
Fig 1: On-Board Diagnostic Wiring Diagram (Adaptive Front Lighting System Control Module)
G10915448Courtesy of MAZDA MOTORS CORP.