LEMON Manuals: Even more car manuals for everyone: 1960-2025
Home >> Mazda >> 2021 >> CX-5 Signature >> Repair and Diagnosis >> External Pages >> Different car >> Section 262 (On-Board Diagnostic - Auto Leveling Control Module) >> On-Board Diagnostic Wiring Diagram Auto Leveling Control Module
April 5, 2026: LEMON Manuals is launched! Read the announcement.

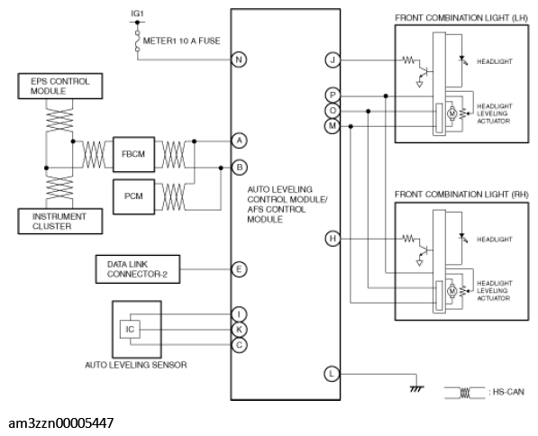
On-Board Diagnostic Wiring Diagram Auto Leveling Control Module

WARNING: This page is about a different car, the 2017 Mazda 3. However, it is still accessible from the selected car via links, so may be relevant.
Fig 1: On-Board Diagnostic Wiring Diagram - Auto Leveling Control Module
G11467197Courtesy of MAZDA MOTORS CORP.