LEMON Manuals: Even more car manuals for everyone: 1960-2025
Home >> Mazda >> 2023 >> MX-5 Miata Club >> Repair and Diagnosis >> Engine Performance >> Engine Control Systems >> Engine Control System >> Control System Wiring Diagram
April 5, 2026: LEMON Manuals is launched! Read the announcement.

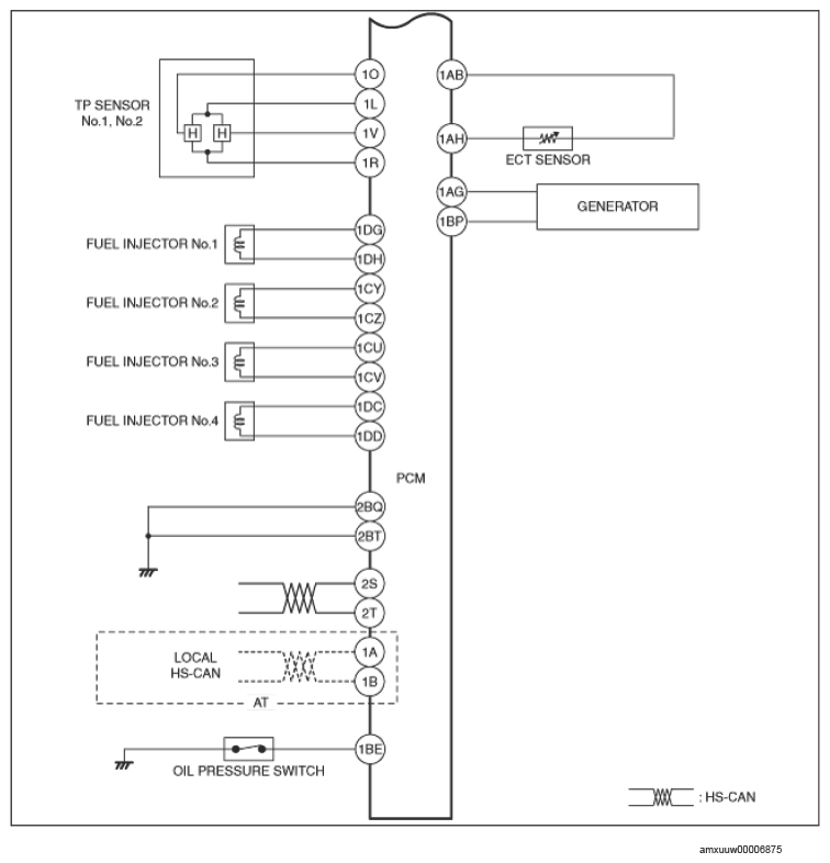
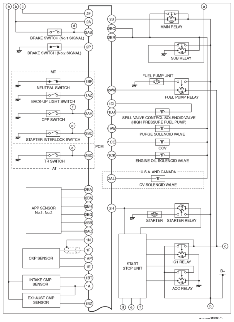
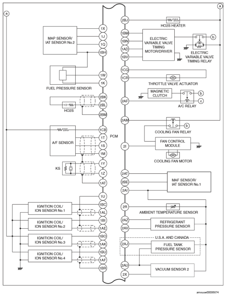
Control System Wiring Diagram

G14588466Courtesy of MAZDA MOTORS CORP.
G14588467Courtesy of MAZDA MOTORS CORP.
G14588468Courtesy of MAZDA MOTORS CORP.