LEMON Manuals: Even more car manuals for everyone: 1960-2025
Home >> Mercury >> 1982 >> Capri L6-200 3.3L >> Repair and Diagnosis >> Cruise Control >> Cruise Control Switch >> Diagrams
April 5, 2026: LEMON Manuals is launched! Read the announcement.

Cruise Control Switch: Diagrams

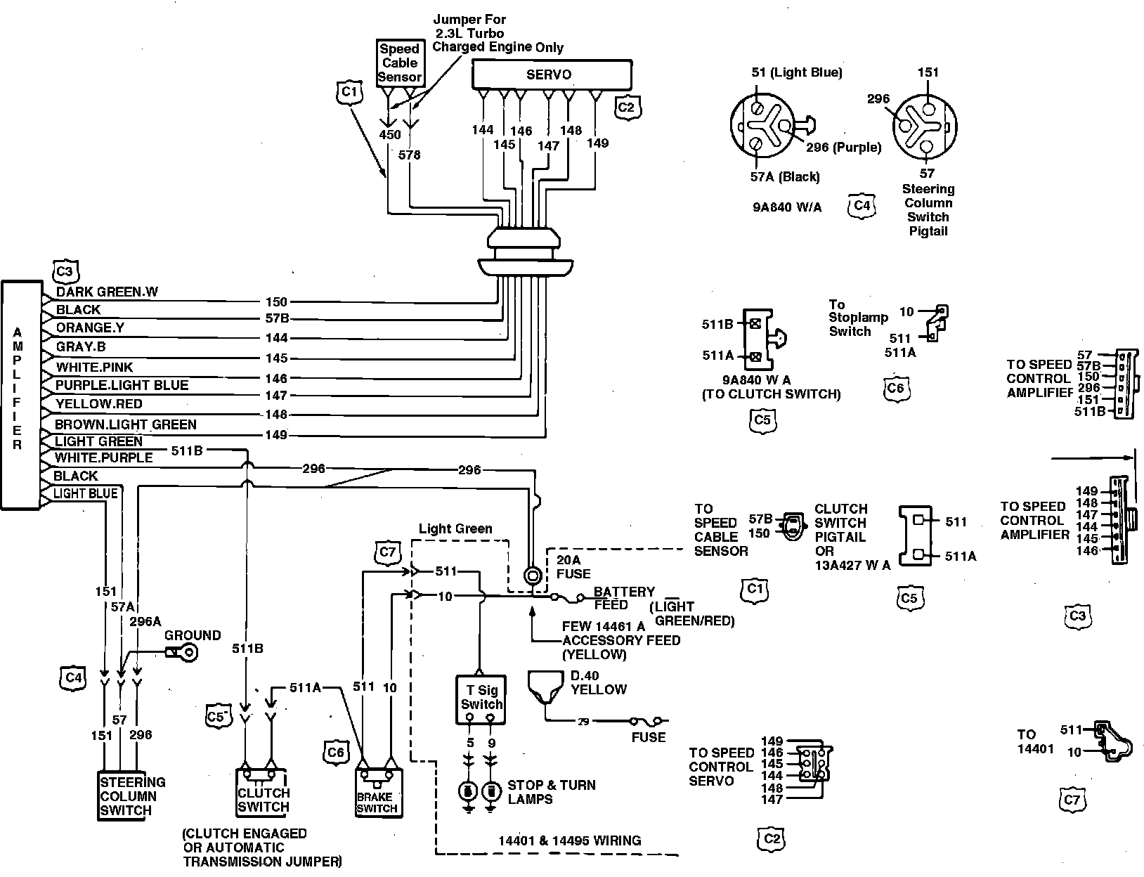
Fig. 1 Speed control wiring schematic (typical). 1982---83 Fairmont & Zephyr, 1982---87 Mustang & Capri; 1982 Granada; 1982---83 Cougar; 1983---86 LTD & Marquis:



Fig. 4 Speed control wiring schematic (typical). 1982---85 Ford & Mercury, 1982---83 Continental Mark VI & 1982---87 Lincoln Town Car: