LEMON Manuals: Even more car manuals for everyone: 1960-2025
Home >> Mercury >> 1989 >> Sable V6-182 3.0L >> Repair and Diagnosis >> Powertrain Management >> Computers and Control Systems >> Relays and Modules - Computers and Control Systems >> Integrated Control Relay Module >> Diagrams >> Connector Views
April 5, 2026: LEMON Manuals is launched! Read the announcement.

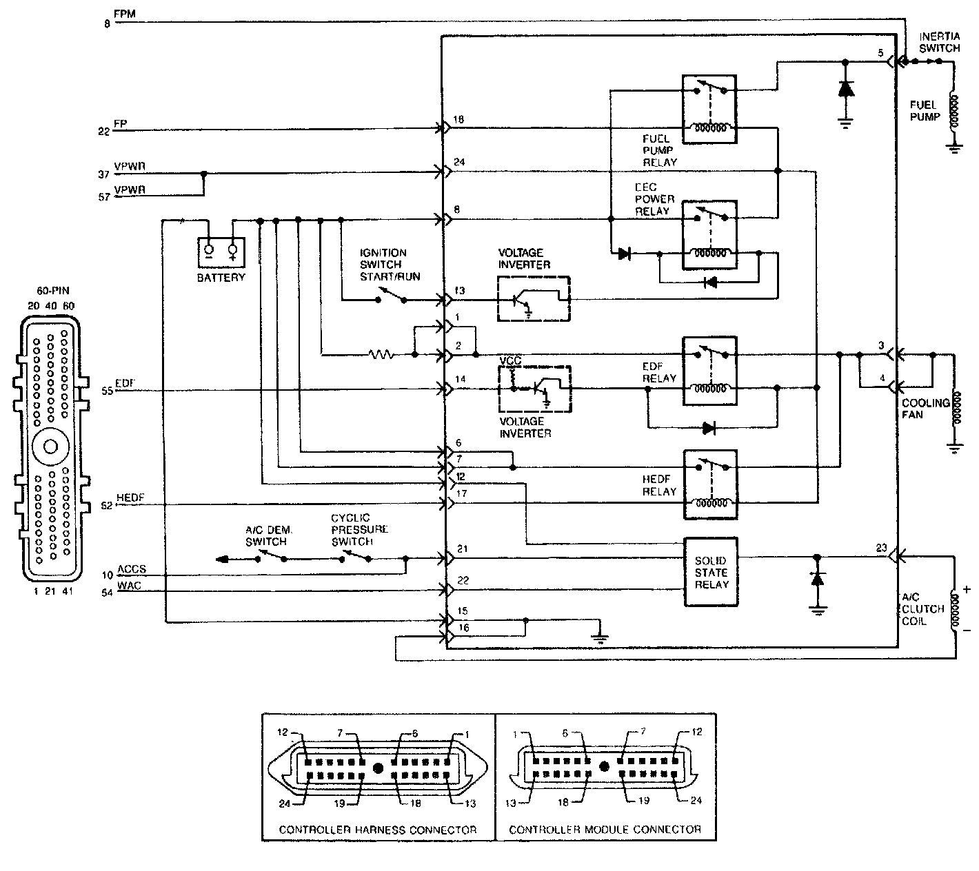
Connector Views

Integrated Relay Controller Module (IRCM) Schematic:



Integrated Relay Controller Module (IRCM) Pin Usage: