LEMON Manuals: Even more car manuals for everyone: 1960-2025
Home >> Mercury >> 2007 >> Monterey >> Repair and Diagnosis >> Accessories & Equipment >> Accessories Control Systems >> Component Testing >> Component Testing >> Multifunction Switch, Lamp Portion >> Schematic
April 5, 2026: LEMON Manuals is launched! Read the announcement.

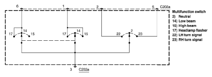
Multifunction Switch, Lamp Portion: Schematic

Fig 1: Multifunction Switch, Lamp Portion - Schematic
G05182483Courtesy of FORD MOTOR CO.