LEMON Manuals: Even more car manuals for everyone: 1960-2025
Home >> Mercury >> 2007 >> Monterey >> Repair and Diagnosis >> Engine Mechanical >> Mechanical >> Engine >> Assembly >> Engine
April 5, 2026: LEMON Manuals is launched! Read the announcement.

Engine Mechanical: Mechanical: Engine: Assembly: Engine

Special Tools

Illustration Tool Name Tool Number
GF0002552
Service Set, Camshaft 303-017 (T65L-6250-A)
GF0002553
Installer, Crankshaft Front Oil Seal 303-335 (T82L-6316-A)
GF0002386
Installer, Crankshaft Front Oil Seal 303-474 (T94P-6701-AH)
GF0002382
Installer, Crankshaft Vibration Damper 303-175 (T82L-6316-A)
GF0002436
Replacer, Rear Crankshaft Seal 303-516 (T95P-6701-BH)
GF0002437
Spacer, Rear Crank Seal Replacer 303-561 (T96T-6701-B)
GF0002438
Adapter, Crankshaft Rear Seal (Use only the adapter retaining bolts) 303-518 (T95P-6701-DH)
GF0002439
Adapter, Crankshaft Rear Seal (Use only the adapter and the center jack screw) 303-S560 (T96T-6701-A)
GF0033005
Engine Lifting Brackets 303-D095 (D94L-6001-A)
GF0002554
Synchronizer Alignment Gauge 303-630
Material

Item Specification
Motorcraft SAE 5W-20 Premium Synthetic Blend Motor Oil XO-5W20-QSP (US); Motorcraft SAE 5W-20 Super Premium Motor Oil
CXO-5W20-LSP12 (Canada); or equivalent
WSS-M2C930-A
Motorcraft Metal Surface Cleaner
ZC-21
WSE-M5B392-A
Silicone Gasket and Sealant
TA 30
WSE-M4G323-A4
Silicone Brake Caliper Grease and Dielectric Compound
XG-3-A
ESE-M1C171-A
Thread Sealant with PTFE
TA-24
WSK-M2G350-A2
Fig 1: Exploded View Of Engine - Lower Components
GF0033190Courtesy of FORD MOTOR CO.
Item Part Number Description
1 6255 Camshaft synchronizer drive gear
2 6268 Timing chain
3 6A303 Engine balance shaft drive gear
4 6A304 Engine balance shaft driven gear
5 6C341 Balance shaft thrust plate
6 6A311 Engine dynamic balance shaft
7 W705934 Woodruff key
8 6261 Camshaft bearing
9 6A333 Balance shaft bearing (2 required)
10 6010 Cylinder block
11 6K564 Tappet guide plate and retainer
12 6500 Valve tappet
13 376958 Balance shaft cover plug
14 6337 Crankshaft thrust main bearing
15 6701 Crankshaft rear oil seal
16 6A338 Crankshaft main bearing (lower)
17 6A339 Crankshaft thrust main bearing
18 6325 Rear main bearing cap
19 6327 Main bearing cap
20 6687 Oil pan baffle
21 6622 Oil pump screen cover and tube
22 6675 Oil pan
23 6625 Oil pump inlet tube gasket
24 6334 Main bearing cap
25 6329 Main bearing cap
26 6303 Crankshaft
27 388907 Woodruff key
28 6333 Crankshaft main bearing (upper)
29 6284 Timing chain vibration damper
30 6263 Camshaft rear bearing
31 6262 Camshaft center bearing
32 6250 Camshaft
33 6265 Camshaft gear spacer
34 6269 Camshaft thrust plate
35 6256 Camshaft gear
36 6303 Crankshaft gear
37 6148 Piston rings
38 6135 Piston pin
39 6200 Connecting rod
40 6211 Connecting rod bearing
41 6210 Connecting rod cap
42 6200 Connecting rod assembly
43 6100 Piston and connecting rod assembly
44 6108 Piston
Fig 2: Exploded View Of Engine - Upper Components
GF0033191Courtesy of FORD MOTOR CO.
Item Part Number Description
1 9424 Upper intake manifold assembly
2 9Y456 Exhaust gas recirculation (EGR) system module
3 9F715 Idle speed control valve assembly
4 9E926 Throttle body assembly
5 9F797 Fuel supply manifold assembly
6 9E498 Engine vacuum tube harness assembly
7 9J447 Lower intake manifold assembly
8 8594 Thermostat housing
9 8575 Thermostat
10 8255 Coolant outlet gasket
11 18663 Coolant pump outlet tube
12 - Coolant inlet hose (part of 18663)
13 - Coolant outlet hose (part of 18663)
14 8548 Coolant bypass tube assembly
15 9439 Lower intake manifold gasket, RH
16 9439 Lower intake manifold gasket, LH
17 9A424 Lower intake manifold gasket seal (2 required)
18 6766 Oil fill cap
19 6754 Oil level indicator tube
20 12405 Spark plug (6 required)
21 6B209 Drive belt tensioner
22 3C631 Power steering pump bracket
Fig 3: Exploded View Of Engine - Front Components
GF0033192Courtesy of FORD MOTOR CO.
Item Part Number Description
1 6B288 Camshaft position (CMP) sensor
2 8507 Coolant pump housing gasket
3 12A362 Camshaft synchronizer
4 6A618 Oil pump intermediate shaft
5 6020 Engine front cover gasket
6 6010 Cylinder block
7 6019 Engine front cover
8 - Oil cooler seal (part of 6A642)
9 6A642 Oil cooler and tube assembly
10 - Oil cooler mounting bolt (part of 6A642)
11 6714 Oil bypass filter
12 6C315 Crankshaft position (CKP) sensor
13 8501 Coolant pump
14 6B321 Crankshaft damper and pulley assembly
15 6K375 Flywheel
Fig 4: Exploded View Of Cylinder Heads
GF0033193Courtesy of FORD MOTOR CO.
Item Part Number Description
1 6565 Push rod (12 required)
2 6564 Rocker arm (12 required)
3 6A528 Rocker arm pivot (12 required)
4 N808305 Rocker arm bolt
5 6A505 Valve cover, LH
6 6518 Valve spring key (24 required)
7 6514 Valve spring retainer (12 required)
8 6513 Valve spring (12 required)
9 6A517 Valve seal/seat (12 required)
10 6049 Cylinder head, LH
11 6507 Exhaust valve
12 6505 Intake valve
13 6083 Cylinder head gasket, LH
14 376958 Camshaft rear bearing cover
15 6A335 Balance shaft cover plug
16 6010 Cylinder block
17 87744 Engine block plug
18 9278 Oil pressure sender switch
19 6C057 Engine block plug
20 6051 Cylinder head gasket, RH
21 6050 Cylinder head, RH
22 6582 Valve cover, RH
23 6K564 Tappet guide plate and retainer
24 6500 Valve tappet
Fig 5: Exploded View Of Engine - External Components
GF0033194Courtesy of FORD MOTOR CO.
Item Part Number Description
1 12280 Spark plug wire set, RH
2 12281 Spark plug wire set, LH
3 6C342 Crankcase vent hose
4 12029 Ignition coil
5 9D477 EGR system module-to-exhaust manifold tube
6 N806991 EGR system module-to-exhaust manifold tube connector
7 9431 Exhaust manifold, LH
8 9448 Exhaust manifold gasket (2 required)
9 9430 Exhaust manifold, RH
10 9N454 Heat shield
CAUTION: During engine repair procedures, cleanliness is extremely important. Any foreign material, including any material created while cleaning gasket surfaces that enters the oil passages, coolant passages or the oil pan, can cause engine failure.
CAUTION: The moving components must be lubricated with clean engine oil before assembly.
CAUTION: The components with oil holes must be correctly aligned with the oil feed holes.
  1. If necessary, install the following:
    1. Cylinder block dowels
    2. Oil gallery plugs
    3. Coolant jacket plugs
  2. Fig 6: Identifying Cylinder Block Dowels, Oil Gallery Plugs And Coolant Jacket Plugs
    GF0033187Courtesy of FORD MOTOR CO.
  3. Using the Camshaft Service Set, install the 2 engine dynamic balance shaft bearings.
  4. Fig 7: Identifying Engine Dynamic Balance Shaft Bearings
    GF0002539Courtesy of FORD MOTOR CO.
  5. Using the Camshaft Service Set, install the 4 camshaft bearings.
  6. Fig 8: Identifying Camshaft Bearings
    GF0002538Courtesy of FORD MOTOR CO.
  7. Install the following:
    1. Engine dynamic balance shaft bearing cover
    2. Camshaft bearing cover
  8. Fig 9: Identifying Engine Dynamic Balance Shaft Bearing Cover & Camshaft Bearing Cover
    GF0033183Courtesy of FORD MOTOR CO.
  9. If equipped, install the block heater.
    • Tighten to 2 Nm (18 lb-in).
  10. Fig 10: Locating Block Heater
    GF0002559Courtesy of FORD MOTOR CO.
    CAUTION: Make sure the components are installed in the correct locations.
    NOTE: Lubricate the crankshaft main bearings with clean engine oil prior to installation.
  11. Install the 4 crankshaft upper main bearings and the crankshaft upper thrust main bearing.
  12. Fig 11: Identifying Crankshaft Upper Main Bearings & Upper Thrust Main Bearing
    GF0002537Courtesy of FORD MOTOR CO.
    CAUTION: The crankshaft journals must be protected from damage when installing the crankshaft.
  13. Position the crankshaft.
  14. Fig 12: Locating Crankshaft
    GF0033186Courtesy of FORD MOTOR CO.
    CAUTION: The main bearings are precision selective fit. Inspect the bearing clearance. For additional information, refer to ENGINE SYSTEM - GENERAL INFORMATION article.
    NOTE: If the rear main bearing cap is not installed within 4 minutes, remove the sealant and reapply.
  15. Clean the rear main bearing cap sealing area with metal surface cleaner. Apply silicone gasket and sealant to the rear main bearing cap-to-cylinder block parting line.
  16. Fig 13: Applying Silicone Gasket And Sealant To Rear Main Bearing Cap-To-Cylinder Block Parting Line
    GF0002560Courtesy of FORD MOTOR CO.
  17. Install the main bearing caps. Tighten the bolts in 2 stages.
    • Stage 1: Tighten to 55 N.m (41 lb-ft).
    • Stage 2: Rotate an additional 90 degrees.
  18. Fig 14: Locating Main Bearing Caps
    GF0002561Courtesy of FORD MOTOR CO.
  19. Using a piston ring compressor, compress the piston rings.
  20. Fig 15: Compressing Piston Rings
    GF0002562Courtesy of FORD MOTOR CO.
    CAUTION: Inspect the piston clearance. For additional information, refer to ENGINE SYSTEM - GENERAL INFORMATION article.
    CAUTION: Do not damage the cylinder wall with the sharp edges of the connecting rod.
    NOTE: 4.2L shown, 3.9L similar.
  21. Install the piston with the arrow on the piston face pointing toward the front of the engine.
  22. Fig 16: Installing Piston
    GF0002563Courtesy of FORD MOTOR CO.
    CAUTION: Inspect the connecting rod bearing clearance. For additional information, refer to ENGINE SYSTEM - GENERAL INFORMATION article.
    CAUTION: The connecting rod cap will fit only one way.
  23. Position the lower connecting rod bearing and the connecting rod cap on the connecting rod and the crankshaft journal.
  24. Fig 17: Positioning Lower Connecting Rod Bearing And Connecting Rod Cap
    GF0002564Courtesy of FORD MOTOR CO.
  25. Tighten the 2 connecting rod cap bolts in 3 stages.
    • Stage 1: Tighten to 25 N.m (18 lb-ft).
    • Stage 2: Tighten to 45 N.m (33 lb-ft).
    • Stage 3: Tighten an additional 105 degrees.
  26. Fig 18: Tightening Connecting Rod Cap Bolts
    GF0002565Courtesy of FORD MOTOR CO.
  27. Install the remaining pistons and the connecting rods.
  28. Install the oil pan baffle and the 5 retaining nuts.
    • Tighten to 32 Nm (24 lb-ft).
  29. Fig 19: Locating Oil Pan Baffle Nuts
    GF0002533Courtesy of FORD MOTOR CO.
  30. Using a new gasket, install the oil pump screen cover and tube.
    1. Tighten to 25 Nm (18 lb-ft).
    2. Tighten to 32 Nm (24 lb-ft).
  31. Fig 20: Installing Oil Pump Screen Cover And Tube
    GF0002566Courtesy of FORD MOTOR CO.
    CAUTION: Do not damage the camshaft lobes when installing the camshaft.
  32. Install the camshaft, camshaft spacer and camshaft key.
  33. Fig 21: Locating Camshaft, Camshaft Spacer And Camshaft Key
    GF0002567Courtesy of FORD MOTOR CO.
  34. Install the camshaft thrust plate and 2 bolts.
    • Tighten to 11 Nm (8 lb-ft).
  35. Fig 22: Locating Camshaft Thrust Plate Bolts
    GF0002568Courtesy of FORD MOTOR CO.
  36. Install the engine dynamic balance shaft assembly and 2 bolts.
    • Tighten to 11 Nm (8 lb-ft).
  37. Fig 23: Balance Shaft Driven Gear, Thrust Plate & Bolts
    GF0002529Courtesy of FORD MOTOR CO.
    NOTE: If correctly aligned, the engine dynamic balance shaft keyway will be at 12 o'clock and the camshaft keyway will be at 6 o'clock on the camshaft.
  38. Install the engine balance shaft drive gear so that the timing mark lines up with the timing mark on the engine balance shaft driven gear.
  39. Fig 24: Installing Engine Balance Shaft Drive Gear
    GF0002569Courtesy of FORD MOTOR CO.
    NOTE: Lubricate the valve tappets with clean engine oil prior to installing. If reusing the valve tappets, make sure to install them in their original locations.
  40. Install the 12 valve tappets.
    • Install the valve tappets.
    • Install the tappet guide plates and retainers.
    • Install the bolts and tighten to 12 Nm (9 lb-ft).
  41. Fig 25: Locating Valve Tappet Guide Plate & Retainer Bolt
    GF0002570Courtesy of FORD MOTOR CO.
  42. Install the timing chain tensioner and bolts.
    • Position the timing chain tensioner.
    • Install the bolts and tighten to 11 Nm (8 lb-ft).
  43. Fig 26: Locating Timing Chain Tensioner Bolts
    GF0002405Courtesy of FORD MOTOR CO.
  44. If necessary, compress the tensioner pad and install a retaining pin.
  45. Fig 27: Compressing Tensioner Pad And Installing Retaining Pin
    GF0002406Courtesy of FORD MOTOR CO.
  46. Rotate the crankshaft so the No. 1 piston is at top dead center (TDC) and the keyway is at the 12 o'clock position.
  47. Fig 28: Locating Crankshaft Keyway At 12 O'Clock Position
    GF0002571Courtesy of FORD MOTOR CO.
  48. Turn the camshaft sprocket so that the keyway is on the bottom of the camshaft.
  49. Fig 29: Locating Camshaft Sprocket Timing Mark
    GF0002408Courtesy of FORD MOTOR CO.
  50. Install the timing chain, the camshaft sprocket and the crankshaft sprocket as an assembly.
  51. Fig 30: Identifying Timing Chain & Sprockets
    G03962031Courtesy of FORD MOTOR CO.
    CAUTION: All timing marks must be aligned with the No. 1 cylinder set on TDC of the compression stroke or the synchronizer assembly will not be installed correctly.
    NOTE: The crankshaft must not be turned until the camshaft synchronizer is installed.
  52. Make sure the timing marks and the keyways are aligned.
  53. Fig 31: Aligning Crankshaft Timing Marks & Keyways
    GF0002403Courtesy of FORD MOTOR CO.
  54. Remove the retaining pin.
  55. Fig 32: Locating Retaining Pin
    GF0002404Courtesy of FORD MOTOR CO.
  56. Install the synchronizer drive gear and the bolt.
    • Tighten to 45 Nm (33 lb-ft).
  57. Fig 33: Locating Camshaft Synchronizer Drive Gear Bolt
    GF0002409Courtesy of FORD MOTOR CO.
    NOTE: Use Thread Sealant with PTFE on studs No. 4 and 6 and bolt No. 12.
  58. Install the engine front cover studs in their original locations.
    • Tighten the 4 engine front cover studs to 7 Nm (62 lb-in).
  59. CAUTION: The coolant pump and gasket must be installed at this time to correctly tighten all of the engine front cover fasteners in sequence.
    NOTE: Clean and inspect the mating surfaces.
  60. Using a new gasket, install the engine front cover.
    • Using a new gasket, install the coolant pump.
    • Tighten the fasteners in the sequence shown.
      • Tighten capscrew No. 12 to 10 Nm (89 lb-in).
      • Tighten all other fasteners to 28 Nm (21 lb-ft).
  61. Fig 34: Identifying Front Cover Bolt Tightening Sequence
    GF0002395Courtesy of FORD MOTOR CO.
    NOTE: Lubricate the new crankshaft front seal lips with clean engine oil prior to installation.
  62. Assemble the special tools, then place the crankshaft front seal onto the special tools.
  63. Fig 35: Identifying Special Tools (303--335) And (303--474)
    GF0033032Courtesy of FORD MOTOR CO.
  64. Using the special tools, install the crankshaft front seal.
  65. Fig 36: Installing Crankshaft Front Seal Using Special Tools (303--335) And (303--474)
    GF0033033Courtesy of FORD MOTOR CO.
    NOTE: If not secured within 4 minutes, the sealant must be removed and the sealing area cleaned with metal surface prep and silicone gasket remover. Allow to dry until there is no sign of wetness, or 4 minutes, whichever is longer. Failure to follow this procedure can cause future oil leakage.
  66. Apply silicone gasket and sealant to the Woodruff key slot in the crankshaft pulley.
  67. Fig 37: Applying Silicone Gasket And Sealant To Woodruff Key Slot On Crankshaft Pulley
    G03919877Courtesy of FORD MOTOR CO.
  68. Lubricate the crankshaft pulley sealing surface with clean engine oil.
  69. Fig 38: Lubricating Crankshaft Pulley Sealing Area With Clean Engine Oil
    GF0002599Courtesy of FORD MOTOR CO.
    NOTE: Lubricate the crankshaft front seal inner lip with clean engine oil prior to installation.
  70. Using the special tool, install the crankshaft pulley.
  71. Fig 39: Installing Crankshaft Pulley Using Special Tool (303--175)
    GF0033031Courtesy of FORD MOTOR CO.
  72. Install the crankshaft pulley washer and the bolt.
    • Tighten to 160 Nm (118 lb-ft).
  73. Fig 40: Locating Crankshaft Pulley Washer Bolt
    GF0033195Courtesy of FORD MOTOR CO.
    CAUTION: After installation, do not loosen the synchronizer bolt and rotate the synchronizer assembly. The synchronizer assembly is not adjustable. Do not loosen the synchronizer bolt after the alignment tool has been removed in order to align the CMP electrical connector for any reason. If the electrical connector is not in the correct position, the synchronizer assembly must be removed, the alignment tool and the assembly reinstalled if the engine has not been rotated from top dead center TDC of the compression stroke on the No. 1 cylinder.
    CAUTION: A synchronizer alignment gauge must be used during the installation of the synchronizer assembly. Failure to follow this procedure will result in the fuel system being out of time with the engine, possibly causing engine damage.
  74. Install the special tool on the camshaft synchronizer by rotating the tool until it engages the notch in the camshaft synchronizer housing.
  75. Fig 41: Installing Special Tool On Camshaft Synchronizer
    GF0002572Courtesy of FORD MOTOR CO.
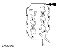
    NOTE: Always coat the synchronizer drive gear with clean engine oil prior to installation.
    NOTE: During installation, the arrow on the special tool will rotate clockwise as the gears engage.
  76. Install the camshaft synchronizer housing assembly so the arrow on the synchronizer alignment tool is 54 degrees from the centerline of the engine.
  77. Fig 42: Installing Camshaft Synchronizer Housing Assembly So Arrow On Synchronizer Alignment Tool Is 54 Degrees From Centerline Of The Engine
    GF0002573Courtesy of FORD MOTOR CO.
  78. Install the camshaft synchronizer retaining bolt.
    • Tighten to 25 Nm (18 lb-ft).
  79. Fig 43: Locating Camshaft Synchronizer Retaining Bolt
    GF0002574Courtesy of FORD MOTOR CO.
  80. Install the CMP sensor and the 2 bolts.
    • Tighten to 3 Nm (27 lb-in).
  81. Fig 44: Locating CMP Sensor Bolts
    GF0002575Courtesy of FORD MOTOR CO.
    NOTE: If the oil pan is not installed within 4 minutes, remove the sealant and reapply.
  82. Clean and apply the sealant to the oil pan sealing areas shown and install the oil pan rear seal.
    1. Apply silicone gasket and sealant to the rear main bearing cap.
    2. Install the oil pan rear seal.
    3. Clean the oil pan mating surfaces with metal surface cleaner and apply silicone gasket and sealant to the oil pan mating surfaces.
  83. Fig 45: Applying Silicone Gasket And Sealant To Oil Pan Sealing Areas Shown And Installing Oil Pan Rear Seal
    GF0002428Courtesy of FORD MOTOR CO.
  84. Install the oil pan and 17 bolts.
    • Tighten in the sequence shown to 10 Nm (89 lb-in).
  85. Fig 46: Identifying Oil Pan Bolts Tightening Sequence
    GF0002429Courtesy of FORD MOTOR CO.
  86. Install the oil pressure sender.
    • Tighten to 27 Nm (20 lb-ft).
  87. Fig 47: Locating Oil Pressure Sensor
    GF0033178Courtesy of FORD MOTOR CO.
    CAUTION: A new oil cooler must be installed or severe damage to the engine can occur.
  88. If equipped, install a new oil cooler and tube assembly and bolt.
    • Tighten to 35 Nm (26 lb-ft).
  89. Fig 48: Locating Oil Cooler And Tube Assembly And Bolt
    GF0033177Courtesy of FORD MOTOR CO.
    NOTE: Lubricate the new engine oil filter seal with clean engine oil prior to installation.
  90. Install a new engine oil filter.
    • Tighten one half turn after the gasket makes contact with the oil filter housing.
  91. Fig 49: Engine Oil Filter
    GF0033196Courtesy of FORD MOTOR CO.
    NOTE: Install the new cylinder head gaskets with the small hole to the front of the engine.
  92. Using new gaskets, install the RH and the LH cylinder heads.
  93. Fig 50: Cylinder Head & Gasket
    GF0002577Courtesy of FORD MOTOR CO.
    CAUTION: Always use new bolts.
    NOTE: Lubricate the bolts with clean engine oil prior to installation.
  94. Install the new bolts. Make sure the bolts are installed in the correct locations.
    1. Install the new long bolts.
    2. Install the new short bolts.
  95. Fig 51: Identifying Cylinder Head Bolts
    GF0033045Courtesy of FORD MOTOR CO.
  96. Tighten the bolts in the sequence shown in 3 stages.
    • Stage 1: Tighten to 20 Nm (15 lb-ft).
    • Stage 2: Tighten to 40 Nm (30 lb-ft).
    • Stage 3: Tighten to 50 Nm (37 lb-ft).
  97. Fig 52: Identifying Cylinder Head Bolts Tightening Sequence
    GF0033046Courtesy of FORD MOTOR CO.
    CAUTION: Each bolt must be loosened and the final tightening carried out prior to working on the next bolt in the sequence. Do not loosen all of the bolts at one time.
  98. Carry out the following final tightening process on each bolt in the sequence shown.
    • Long bolts:
      • Loosen and back out 3 turns.
      • Tighten to 45 Nm (33 lb-ft).
      • Tighten an additional 180 degrees.
      • Continue on to the next bolt in sequence.
    • Short bolts:
      • Loosen and back out 3 turns.
      • Tighten to 25 Nm (18 lb-ft).
      • Tighten an additional 180 degrees.
      • Continue on to the next bolt in sequence.
  99. Fig 53: Identifying Cylinder Head Bolts Tightening Sequence
    GF0033046Courtesy of FORD MOTOR CO.
  100. Install the 3 lower exhaust manifold studs on both cylinder heads.
    • Tighten to 8 Nm (71 lb-in).
  101. Fig 54: Lower Exhaust Manifold Studs
    GF0033044Courtesy of FORD MOTOR CO.
    NOTE: Lubricate the push rods with clean engine oil prior to installation. If reusing the push rods, make sure to install them in their original locations.
  102. Install the 12 push rods.
  103. Fig 55: Pushrods
    GF0033174Courtesy of FORD MOTOR CO.
    NOTE: If reusing the rocker arms, make sure to install them in their original locations.
  104. Install the 12 rocker arms.
    • Position the rocker arms and pivots.
    • Hand-start the 12 bolts.
    • Tighten the 12 bolts in 2 stages.
      • Stage 1: Tighten to 5 Nm (44 lb-in).
      • Stage 2: Tighten to 32 Nm (24 lb-ft).
  105. Fig 56: Bolts, Rocker Arm Pivots & Rocker Arms
    GF0002518Courtesy of FORD MOTOR CO.
    NOTE: Install new gaskets in the valve covers.
    NOTE: RH shown, LH similar.
  106. Install the valve covers.
    1. Position the valve covers.
    2. Install the bolts and tighten to 10 Nm (89 lb-in).
    3. Install the stud bolts and tighten to 10 Nm (89 lb-in).
  107. Fig 57: Identifying Valve Cover
    GF0033197Courtesy of FORD MOTOR CO.
  108. Using a new gasket, install the RH exhaust manifold. Loosely install the 6 RH nuts.
  109. Tighten the 6 nuts in the sequence shown.
    • Tighten to 25 Nm (18 lb-ft).
  110. Fig 58: Identifying Exhaust Manifold Nuts Tightening Sequence
    GF0033198Courtesy of FORD MOTOR CO.
  111. Install the heat shield and the 3 nuts.
    • Tighten to 10 Nm (89 lb-in).
  112. Fig 59: Locating Heat Shield Nuts
    GF0033168Courtesy of FORD MOTOR CO.
  113. Using a new gasket, install the LH exhaust manifold. Loosely install the 6 nuts.
  114. Fig 60: Locating LH Exhaust Manifold Nuts
    GF0033170Courtesy of FORD MOTOR CO.
  115. Tighten the nuts in the sequence shown.
    • Tighten to 25 Nm (18 lb-ft).
  116. Fig 61: Identifying Exhaust Manifold Nuts Tightening Sequence
    GF0033199Courtesy of FORD MOTOR CO.
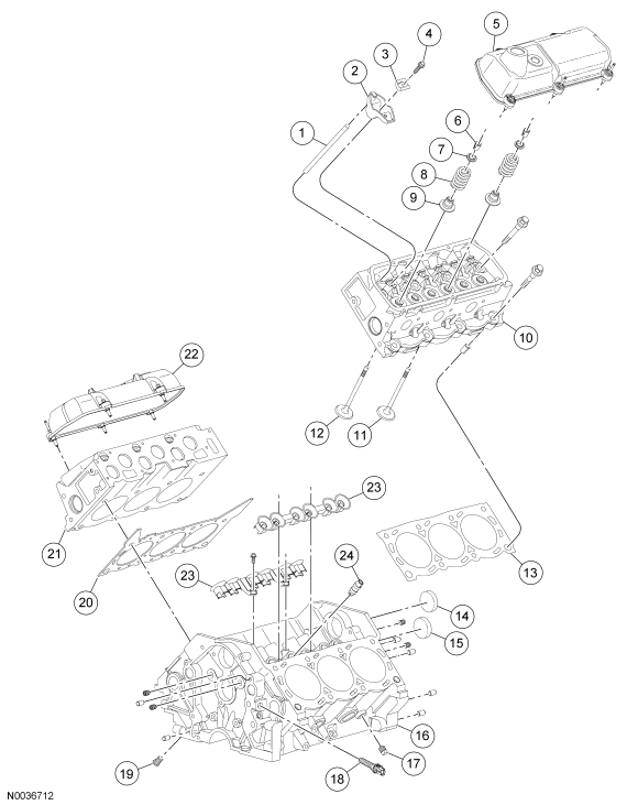
  117. Refer to the illustration for intake manifold sealing components.
    Item Part Number Description
    1 9439 RH intake manifold gasket
    2 9439 LH intake manifold gasket
    3 9A424 Intake manifold rear end seal (part of 9439)
    4 9A425 Intake manifold front end seal (part of 9439)
  118. Fig 62: Lower Intake Manifold Gaskets
    GF0033167Courtesy of FORD MOTOR CO.
  119. Install the lower intake manifold front and rear end seals.
    1. Apply a bead of silicone gasket and sealant to the intake manifold front and rear end seal mounting points as indicated.
    2. Install the lower intake manifold front and rear end seals.
  120. Fig 63: Identifying Lower Intake Manifold Front & Rear Seals
    GF0002372Courtesy of FORD MOTOR CO.
  121. Position the intake manifold gaskets.
  122. Fig 64: Identifying Manifold Gaskets
    GF0002373Courtesy of FORD MOTOR CO.
    NOTE: The lower intake manifold must be installed within 4 minutes of applying the sealant.
  123. Position the lower intake manifold.
    1. Apply a bead of silicone gasket and sealant to the lower intake manifold mounting at the points indicated.
    2. Position the lower intake manifold.
  124. Fig 65: Identifying Lower Intake Manifold
    GF0033016Courtesy of FORD MOTOR CO.
    NOTE: Make sure the bolts are installed in the correct locations.
  125. Install the 6 long bolts.
  126. Fig 66: Installing Long Bolts
    GF0033017Courtesy of FORD MOTOR CO.
  127. Install the 8 short bolts.
  128. Fig 67: Installing Short Bolts
    GF0033018Courtesy of FORD MOTOR CO.
  129. Tighten the lower intake manifold bolts in 2 stages in the sequence shown.
    • Stage 1: Tighten to 5 N.m (44 lb-in).
    • Stage 2: Tighten to 10 N.m (89 lb-in).
  130. Fig 68: Identifying Lower Intake Manifold Bolts Tightening Sequence
    GF0033019Courtesy of FORD MOTOR CO.
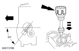
  131. Install new O-ring seals on the fuel injectors.
  132. Fig 69: Fuel Injector O-Rings
    GF0019744Courtesy of FORD MOTOR CO.
    NOTE: Lubricate the O-ring seals with clean engine oil to aid installation.
  133. Install the fuel injectors and retaining clips on the fuel supply manifold.
  134. Fig 70: Fuel Injectors & Clips
    GF0033165Courtesy of FORD MOTOR CO.
  135. Install the fuel rail, fuel injectors and fuel charging harness as an assembly and install the bolts.
    • Tighten to 10 Nm (89 lb-in).
  136. Fig 71: Locating Fuel Rail, Fuel Injectors & Fuel Charging Harness
    GF0033164Courtesy of FORD MOTOR CO.
  137. Using new gaskets, install the upper intake manifold and 8 bolts.
    • Tighten the 8 upper intake manifold bolts in 2 stages in the sequence shown.
      • Stage 1: Tighten to 6 Nm (53 lb-in).
      • Stage 2: Tighten to 10 Nm (89 lb-in).
  138. Fig 72: Identifying Upper Intake Manifold Bolts Tightening Sequence
    GF0033014Courtesy of FORD MOTOR CO.
  139. Position the engine harness onto the engine and connect the engine harness-to-fuel charging harness electrical connector.
  140. Fig 73: Locating Engine Harness-To-Fuel Charging Harness Electrical Connector
    GF0033162Courtesy of FORD MOTOR CO.
  141. Position the vacuum harness onto the engine and connect the vacuum harness connection.
  142. Fig 74: Locating Vacuum Harness
    GF0033161Courtesy of FORD MOTOR CO.
  143. Install the ignition coil and 3 bolts.
    • Tighten to 6 Nm (53 lb-in).
  144. Fig 75: Locating Ignition Coil Bolts
    GF0033160Courtesy of FORD MOTOR CO.
  145. Install the engine harness pin-type retainer and connect the ignition coil electrical connector.
  146. Fig 76: Locating Ignition Coil Electrical Connector
    GF0033159Courtesy of FORD MOTOR CO.
    NOTE: Do not tighten the EGR system module-to-manifold tube lower fitting.
  147. Install the EGR system module-to-manifold tube.
  148. Fig 77: Locating EGR System Module-To-Manifold Tube
    GF0033200Courtesy of FORD MOTOR CO.
  149. Attach the wire retainer to the throttle position (TP) sensor stud bolt.
  150. Fig 78: Locating Wire Retainer
    GF0033157Courtesy of FORD MOTOR CO.
  151. Connect the following:
    1. Idle air control (IAC) electrical connector
    2. TP sensor electrical connector
    3. Exhaust gas recirculation (EGR) system module electrical connector
    4. EGR system module vacuum connector
    5. EGR system module-to-exhaust manifold tube upper fitting and tighten to 40 Nm (30 lb-ft)
  152. Fig 79: Identifying EGR System Module Vacuum Connector & Throttle Position Sensor Electrical Connector
    GF0033156Courtesy of FORD MOTOR CO.
  153. Tighten the EGR system module-to-manifold tube lower fitting.
    • Tighten to 40 Nm (30 lb-ft).
  154. Fig 80: EGR Tube At Exhaust Manifold
    GF0033063Courtesy of FORD MOTOR CO.
  155. Connect the cylinder head temperature (CHT) sensor electrical connector.
  156. Fig 81: Locating Cylinder Head Temperature Sensor Electrical Connector
    GF0033155Courtesy of FORD MOTOR CO.
  157. Connect the knock sensor (KS) electrical connector.
  158. Fig 82: Locating Knock Sensor Electrical Connector
    GF0033154Courtesy of FORD MOTOR CO.
  159. Install the 4 engine harness pin-type retainers.
  160. Fig 83: Locating Engine Harness Pin-Type Retainers
    GF0033012Courtesy of FORD MOTOR CO.
    NOTE: Apply dielectric grease to the inside of the spark plug wire boots before attaching to the spark plugs and the ignition coil.
  161. Install and connect the spark plug wires and retainers as an assembly.
  162. Fig 84: Locating Spark Plug Wires & Retainers
    GF0033153Courtesy of FORD MOTOR CO.
    NOTE: Install a new oil level indicator tube O-ring seal.
  163. Install the oil level indicator tube and the retaining nut.
    • Tighten to 10 Nm (89 lb-in).
  164. Fig 85: Oil Level Indicator Tube & Nut
    GF0033201Courtesy of FORD MOTOR CO.
  165. Connect the quick disconnect crankcase vent hose to the intake manifold.
  166. Fig 86: Locating Quick Connect Crankcase Vent Hose
    GF0033151Courtesy of FORD MOTOR CO.
  167. Connect the quick disconnect crankcase vent hose and connect the crankcase vent hose valve electrical connector.
  168. Fig 87: Locating Crankcase Vent Hose Valve Electrical Connector
    GF0033150Courtesy of FORD MOTOR CO.
  169. Connect the intake manifold runner control (IMRC) electrical connector.
  170. Fig 88: Locating Intake Manifold Runner Control Electrical Connector
    GF0033149Courtesy of FORD MOTOR CO.
  171. Connect the CMP sensor electrical connector.
  172. Fig 89: Locating CMP Sensor Electrical Connector
    GF0033202Courtesy of FORD MOTOR CO.
  173. Connect the oil pressure sensor electrical connector and install the engine harness pin-type retainer.
  174. Fig 90: Locating Oil Pressure Sensor Electrical Connector
    GF0033147Courtesy of FORD MOTOR CO.
  175. Install the RH engine mount bracket and 4 bolts.
    • Tighten to 48 Nm (35 lb-ft).
  176. Fig 91: Locating RH Engine Mount Bracket Bolts
    GF0033146Courtesy of FORD MOTOR CO.
  177. Install the catalyst monitor sensor electrical connector bracket.
    • Tighten to 28 Nm (21 lb-ft).
  178. Fig 92: Locating Catalyst Monitor Sensor Electrical Connector Bracket Nut
    GF0033037Courtesy of FORD MOTOR CO.
  179. Connect the CKP sensor electrical connectors.
  180. Fig 93: Crankshaft Position (CKP) Sensor Electrical Connector
    GF0033145Courtesy of FORD MOTOR CO.
  181. Install the power steering pump bracket and 4 mounting bolts.
    1. Tighten to 25 Nm (18 lb-ft).
    2. Tighten to 48 Nm (35 lb-ft).
  182. Fig 94: Identifying Power Steering Pump Bracket & Mounting Bolts
    GF0033203Courtesy of FORD MOTOR CO.
  183. Install the accessory drive belt tensioner and 3 bolts.
    • Tighten to 25 Nm (18 lb-ft).
  184. Fig 95: Accessory Drive Belt Tensioner Bolts
    GF0033143Courtesy of FORD MOTOR CO.
    NOTE: Install a new coolant pump outlet tube O-ring seal and lubricate with clean engine coolant.
  185. Install the coolant pump outlet tube.
    • Install the 2 bolts and tighten to 10 Nm (89 lb-in).
    • Connect the 3 coolant hoses.
      • Reposition the clamps.
  186. Fig 96: Locating Coolant Pump Outlet Tube Bolts
    GF0033142Courtesy of FORD MOTOR CO.
  187. Install the A/C compressor bracket and 4 bolts.
    • Tighten to 47 Nm (35 lb-ft).
  188. Fig 97: Locating A/C Compressor Bracket Bolts
    GF0033141Courtesy of FORD MOTOR CO.
  189. Install the A/C compressor mounting bracket brace and generator mounting bracket as an assembly and install the 4 bolts.
    1. Tighten to 25 Nm (18 lb-ft).
    2. Tighten to 47 Nm (35 lb-ft).
  190. Fig 98: Installing A/C Compressor Mounting Bracket Brace And Generator Mounting Bracket
    GF0033204Courtesy of FORD MOTOR CO.
  191. Install the coolant extension tube and bracket and bolt.
    • Tighten to 25 Nm (18 lb-ft).
  192. Fig 99: Locating Coolant Pump Extension Tube & Bracket Bolt
    GF0033139Courtesy of FORD MOTOR CO.
  193. Install the generator and 3 bolts.
    • Tighten to 25 Nm (18 lb-ft).
  194. Fig 100: Locating Generator Bolts
    GF0033138Courtesy of FORD MOTOR CO.
  195. Connect the generator.
    • Install the B+ wire terminal and nut and tighten to 8 Nm (71 lb-in).
    • Connect the generator electrical connector.
  196. Fig 101: Locating Generator Electrical Connector
    GF0033137Courtesy of FORD MOTOR CO.
  197. Install the accessory drive idler pulley and bolt.
    • Tighten to 47 Nm (35 lb-ft).
  198. Fig 102: Locating Accessory Drive Idler Pulley Bolt
    GF0033205Courtesy of FORD MOTOR CO.
  199. Install the coolant pump pulley and 4 bolts.
    • Tighten to 11 Nm (8 lb-ft).
  200. Fig 103: Identifying Coolant Pump Pulley Bolts
    GF0002396Courtesy of FORD MOTOR CO.
    NOTE: RH shown, LH similar.
  201. Install the special tools.
  202. Fig 104: Identifying Special Tool (303--D095)
    GF0033129Courtesy of FORD MOTOR CO.
  203. Install the engine lifting equipment.
  204. Fig 105: Engine Lifting Equipment
    GF0033130Courtesy of FORD MOTOR CO.
  205. Remove the engine from the stand.
  206. NOTE: Lubricate the crankshaft rear seal lips with clean engine oil prior to installation.
  207. Assemble the special tools and the crankshaft rear seal.
  208. Fig 106: Identifying Special Tools And Crankshaft Rear Seal
    GF0002441Courtesy of FORD MOTOR CO.
  209. Install the special tools on the rear of the crankshaft.
  210. Fig 107: Installing Special Tools On Rear Of Crankshaft
    GF0002442Courtesy of FORD MOTOR CO.
  211. Install the crankshaft rear seal. Tighten the center jack screw until the spacer contacts the engine block.
  212. Fig 108: Installing Crankshaft Rear Seal
    GF0002443Courtesy of FORD MOTOR CO.
  213. Install the flywheel and 6 bolts.
    • Tighten to 80 Nm (59 lb-ft).
  214. Fig 109: Flexplate Bolts
    GF0002578Courtesy of FORD MOTOR CO.