LEMON Manuals: Even more car manuals for everyone: 1960-2025
Home >> Mercury >> 2009 >> Sable Base, FWD >> Repair and Diagnosis (Single Page) >> External Pages >> Different car >> Section 1187 (Module Communications Network System) >> Diagnostic Tests >> Communications Network >> Pinpoint Tests >> Pinpoint Test B: The ABS Module Does Not Respond To The Scan Tool >> Pinpoint Test B: The Abs Module Does Not Respond To The Scan Tool
April 5, 2026: LEMON Manuals is launched! Read the announcement.

Pinpoint Test B: The Abs Module Does Not Respond To The Scan Tool

WARNING: This page is about a different car, the 2008 Mercury Sable, 2008 Ford Taurus X, and 2008 Ford Taurus. However, it is still accessible from the selected car via links, so may be relevant.
NOTE: Use the correct probe adapter(s) when making measurements. Failure to use the correct probe adapter(s) may damage the connector.
  1. B1 CHECK THE VOLTAGE SUPPLY CIRCUIT FOR AN OPEN 
    • Key in OFF position.
    • Disconnect: ABS Module C135
    • Key in ON position.
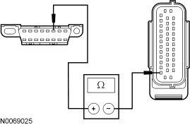
    • Measure the voltage between the ABS module C135-32, circuit CBB38 (GY/BU), harness side and ground.
    • Fig 1: Measuring Voltage
      GF0018295Courtesy of FORD MOTOR CO.
    • Is the voltage greater than 10 volts? 
    1. YES  : Go to  B2.
    2. NO  : VERIFY the smart junction box (SJB) fuse 38 (10A) is OK. If OK, REPAIR the circuit. CLEAR the DTCs. REPEAT the network test with the scan tool.
  2. B2 CHECK THE GROUND CIRCUIT FOR AN OPEN 
    • Key in OFF position.
    • Measure the resistance between the ABS module C135-38, circuit GD120 (BK/GN), harness side and ground.
    • Fig 2: Measuring Resistance
      GF0017397Courtesy of FORD MOTOR CO.
    • Is the resistance less than 5 ohms? 
    1. YES  : Go to  B3.
    2. NO  : REPAIR the circuit. CLEAR the DTCs. REPEAT the network test with the scan tool.
  3. B3 CHECK THE HS-CAN CIRCUITS BETWEEN THE DATA LINK CONNECTOR (DLC) AND THE ABS MODULE FOR AN OPEN 
    • Measure the resistance between the ABS module C135-26, circuit VDB04 (WH/BU), harness side and the DLC C251-6, circuit VDB04 (WH/BU), harness side.
    • Fig 3: Measuring Resistance
      GF0046176Courtesy of FORD MOTOR CO.
    • Measure the resistance between the ABS module C135-14, circuit VDB05 (WH), harness side and the DLC C251-14, circuit VDB05 (WH), harness side.
    • Fig 4: Measuring Resistance
      GF0046177Courtesy of FORD MOTOR CO.
    • Are the resistances less than 5 ohms? 
    1. YES  : Go to  B4.
    2. NO  : REPAIR the circuit in question. CLEAR the DTCs. REPEAT the network test with the scan tool.
  4. B4 CHECK FOR CORRECT ABS MODULE OPERATION 
    • Disconnect the ABS module connector.
    • Check for:
      • corrosion
      • damaged pins
      • pushed-out pins
    • Connect the ABS module connector and make sure it seats correctly.
    • Operate the system and verify the concern is still present.
    • Is the concern still present? 
    1. YES  : INSTALL a new ABS module. REFER to VEHICLE DYNAMIC SYSTEMS article. CLEAR the DTCs. REPEAT the network test with the scan tool.
    2. NO  : The system is operating correctly at this time. The concern may have been caused by a loose or corroded connector. CLEAR the DTCs. REPEAT the network test with the scan tool.