LEMON Manuals: Even more car manuals for everyone: 1960-2025
Home >> Mercury >> 2011 >> Milan FWD V6-3.0L >> Repair and Diagnosis >> Powertrain Management >> Computers and Control Systems >> Information Bus >> Testing and Inspection >> Pinpoint Tests >> Pinpoint Test D: The Power Steering Control Module (PSCM) Does Not Respond To The Scan Tool
April 5, 2026: LEMON Manuals is launched! Read the announcement.

Pinpoint Test D: The Power Steering Control Module (PSCM) Does Not Respond To The Scan Tool




Communications Network

Pinpoint Test D: The Power Steering Control Module (PSCM) Does Not Respond To The Scan Tool

Refer to Wiring Diagram Set 14 (Fusion/Milan/MKZ, Fusion Hybrid, Milan Hybrid, MKZ Hybrid), Module Communications Network for schematic and connector information. Diagrams By Number

Refer to Wiring Diagram Set 43 (Fusion/Milan/MKZ, Fusion Hybrid, Milan Hybrid, MKZ Hybrid), Power Steering Controls for schematic and connector information. Diagrams By Number

Normal Operation

The Power Steering Control Module (PSCM) communicates with the scan tool through the High Speed Controller Area Network (HS-CAN).

This pinpoint test is intended to diagnose the following:

- Fuse
- Wiring, terminals or connectors
- PSCM


PINPOINT TEST D: THE PSCM DOES NOT RESPOND TO THE SCAN TOOL

NOTICE: Use the correct probe adapter(s) when making measurements. Failure to use the correct probe adapter(s) may damage the connector.

NOTE: Failure to disconnect the battery when instructed will result in false resistance readings. Refer to Battery, Mounting and Cables Battery Disconnect.

-------------------------------------------------
D1 CHECK THE PSCM VOLTAGE SUPPLY CIRCUIT FOR AN OPEN

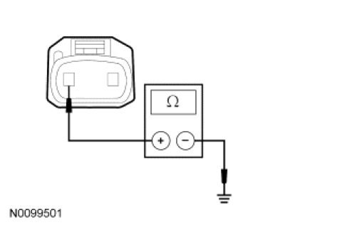
- Disconnect: PSCM C1467b .
- Ignition ON.
- Measure the voltage between the PSCM C1467b-3, circuit CBP42 (GN), harness side and ground.




- Is the voltage greater than 10 volts?

Yes
GO to D2.

No
VERIFY the Smart Junction Box (SJB) fuse 42 (10A) is OK. If OK, REPAIR the circuit in question. If not OK, Refer to the Wiring Diagrams to identify the possible causes of the circuit short. CLEAR the DTCs. REPEAT the network test with the scan tool. Diagrams By Number

-------------------------------------------------
D2 CHECK THE PSCM GROUND CIRCUIT FOR AN OPEN

- Ignition OFF.
- Disconnect: PSCM C1467a .
- Disconnect: Negative Battery Cable .
- Measure the resistance between the PSCM C1467a-2, circuit GD104 (BK/GN), harness side and ground.




- Is the resistance less than 5 ohms?

Yes
GO to D3.

No
REPAIR the circuit. CONNECT the negative battery cable. CLEAR the DTCs. REPEAT the network test with the scan tool.

-------------------------------------------------
D3 CHECK THE HS-CAN CIRCUITS BETWEEN THE PSCM AND THE DLC FOR AN OPEN

- Measure the resistance between the PSCM C1467b-1, circuit VDB04 (WH/BU), harness side and the DLC C251-6, circuit VDB04 (WH/BU), harness side.




- Measure the resistance between the PSCM C1467b-2, circuit VDB05 (WH), harness side and the DLC C251-14, circuit VDB05 (WH), harness side.




- Are the resistances less than 5 ohms?

Yes
CONNECT the negative battery cable. GO to D4.

No
REPAIR the circuit in question. CONNECT the negative battery cable. CLEAR the DTCs. REPEAT the network test with the scan tool.

-------------------------------------------------
D4 CHECK FOR CORRECT PSCM OPERATION

- Disconnect all the PSCM connectors.
- Check for:
- corrosion
- damaged pins
- pushed-out pins
- Connect all the PSCM connectors and make sure they seat correctly.
- Operate the system and verify the concern is still present.
- Is the concern still present?

Yes
INSTALL a new PSCM. CLEAR the DTCs. REPEAT the network test with the scan tool.

No
The system is operating correctly at this time. The concern may have been caused by a loose or corroded connector. CLEAR the DTCs. REPEAT the network test with the scan tool.

-------------------------------------------------