LEMON Manuals: Even more car manuals for everyone: 1960-2025
Home >> Mitsubishi >> 2003 >> Lancer Evolution >> Repair and Diagnosis >> External Pages >> Different car >> Section 91 (Anti-Theft Systems) >> System Tests >> Ecu Power Source Circuit >> Circuit Description
April 5, 2026: LEMON Manuals is launched! Read the announcement.

Circuit Description

WARNING: This page is about a different car, the 2003 Lexus ES 300 and 2002 Lexus ES 300. However, it is still accessible from the selected car via links, so may be relevant.

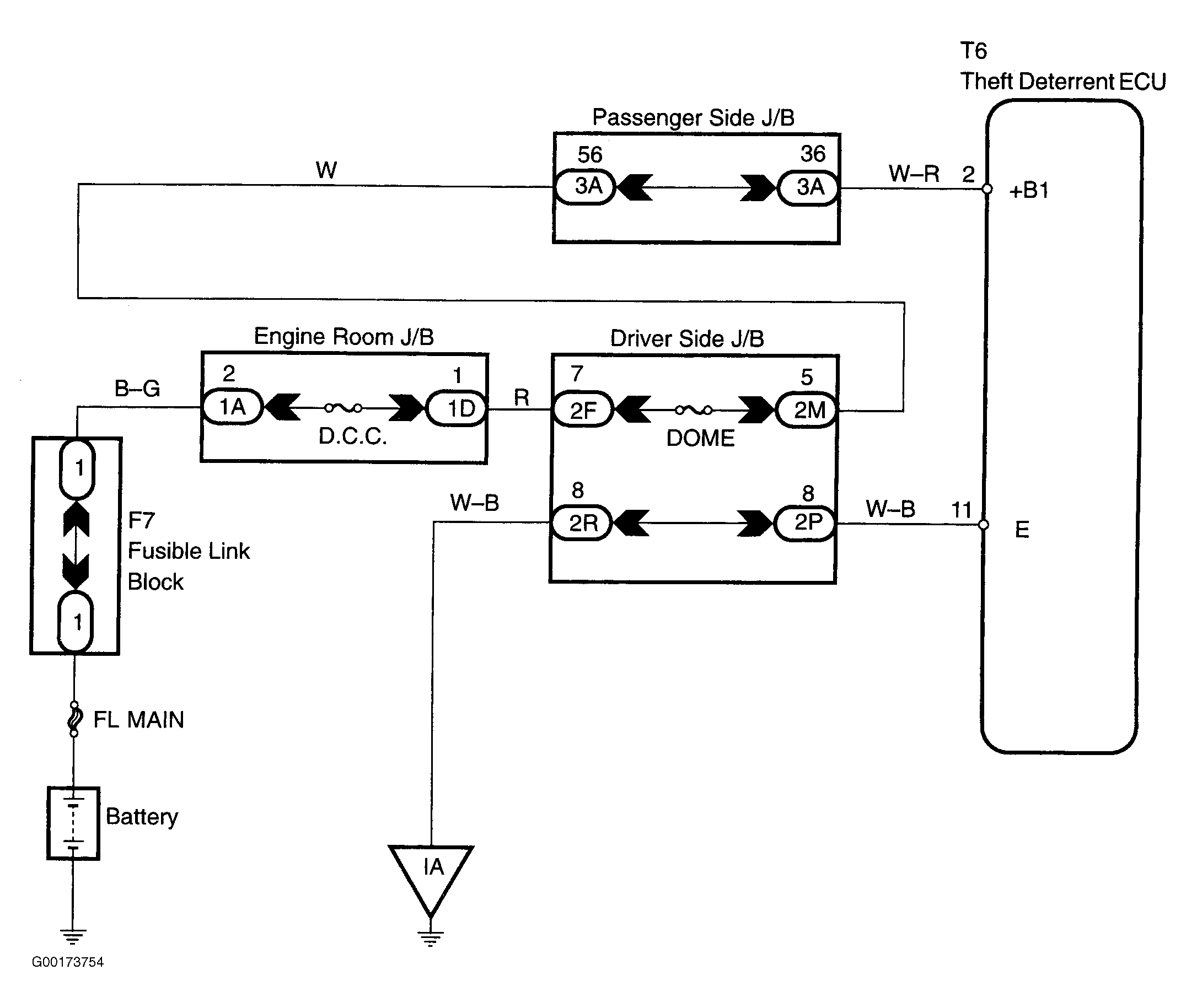
This circuit provides power to operate the anti-theft ECU. See Fig 1.

Fig 1: Identifying ECU Power Source Circuit
G00173754Courtesy of © TOYOTA, LICENSE AGREEMENT TMS1002