LEMON Manuals: Even more car manuals for everyone: 1960-2025
Home >> Mitsubishi >> 2006 >> Lancer Evolution RS >> Repair and Diagnosis >> Electrical >> Body Electrical >> Simplified Wiring System - Lancer Evolution >> Symptom Procedures >> Keyless Entry System >> General Circuit Diagram For The Keyless Entry System
April 5, 2026: LEMON Manuals is launched! Read the announcement.

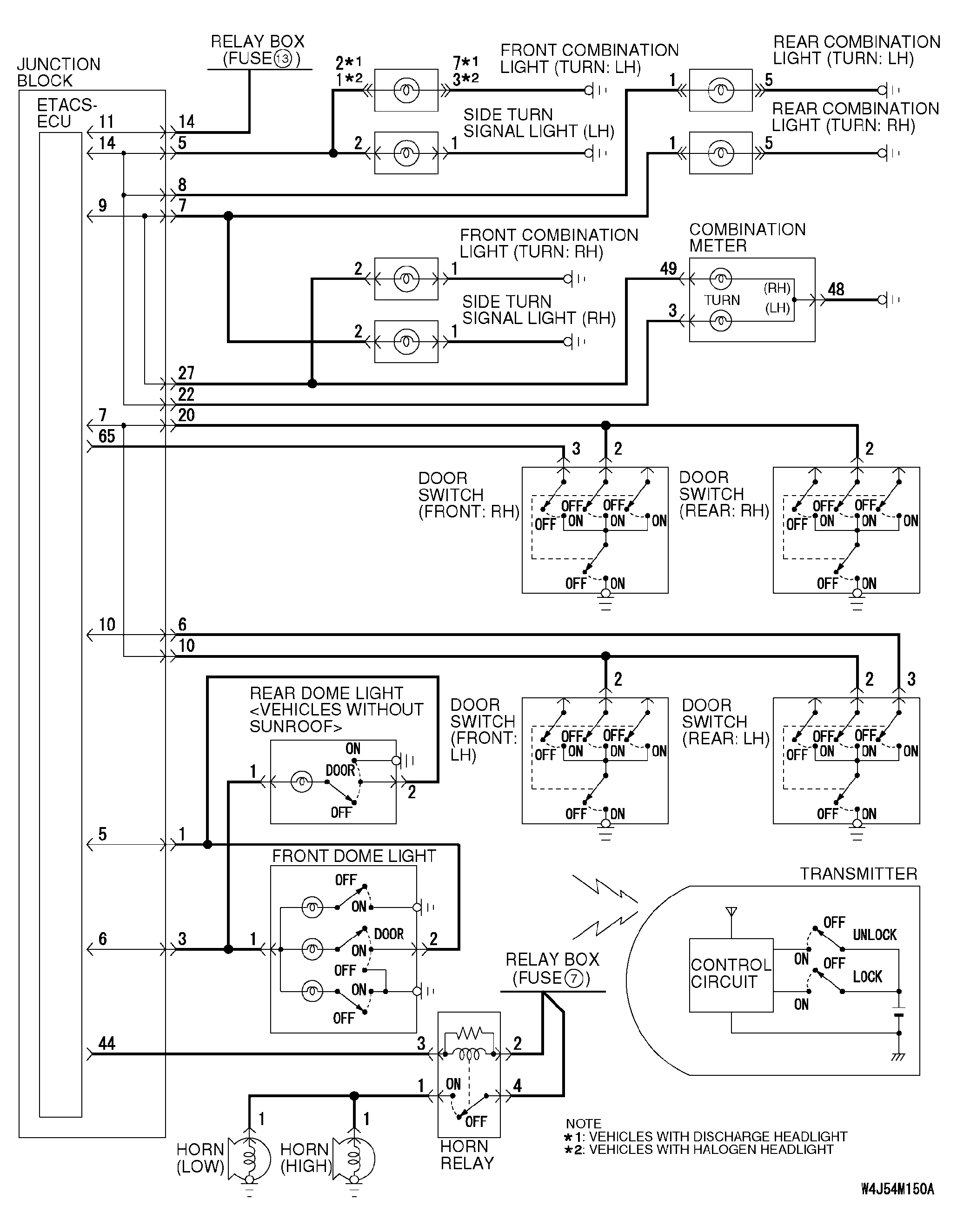
General Circuit Diagram For The Keyless Entry System

Fig 1: Keyless Entry System - Circuit Diagram (1 Of 2)
G04298830Courtesy of MITSUBISHI MOTOR SALES OF AMERICA.
Fig 2: Keyless Entry System - Circuit Diagram (2 Of 2)
G04298831Courtesy of MITSUBISHI MOTOR SALES OF AMERICA.