LEMON Manuals: Even more car manuals for everyone: 1960-2025
Home >> Nissan-Datsun >> 1991 >> Sentra SE-R >> Repair and Diagnosis >> Engine Mechanical >> Engine Cooling Fan >> System Testing >> 300ZX
April 5, 2026: LEMON Manuals is launched! Read the announcement.

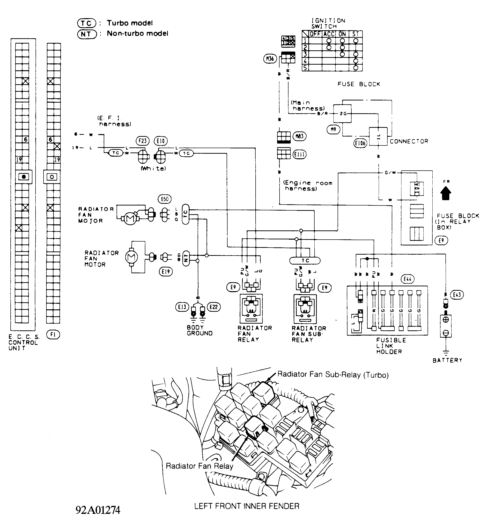
System Testing: 300ZX

Warm engine to operating temperature. Cooling fan should run. If cooling fan does not operate, check power supplies, grounds, relays, radiator fan switches and motors. If no faults are found, check component wiring. See Figure .