LEMON Manuals: Even more car manuals for everyone: 1960-2025
Home >> Nissan-Datsun >> 1992 >> Sentra SE-R >> Repair and Diagnosis >> Quick Lookups >> Technical Bulletins >> Technical Service Bulletins >> Other Variant >> Engine Control Systems >> Precautions For Testing/Diagnosing ECCS System (NTB95-059)
April 5, 2026: LEMON Manuals is launched! Read the announcement.

Precautions For Testing/Diagnosing ECCS System (NTB95-059)

WARNING: This page is about the Sentra E, 2D Sedan, Automatic, which is a different variant/trim than selected.
Publication date: 1995-06-07
Reference number: NTB95-059

PRECAUTIONS FOR TESTING/DIAGNOSING ECCS SYSTEM

PRECAUTIONS FOR TESTING/DIAGNOSING ECCS SYSTEM

TECHNICAL SERVICE BULLETIN

Reference Number(s): NTB95-059, Date of Issue:  June 7, 1995

PRECAUTIONS FOR TESTING/DIAGNOSING THE ECCS SYSTEM TO AVOID DAMAGING THE ECM

Model(s): All Nissan Models

Classification: EC95-011

Section: Emission Control

Bulletin No.: NTB95-059

Date: June 7, 1995

SERVICE INFORMATION

Observing the following precautions when testing/diagnosing Electronic Concentrated Control System (ECCS) may help prevent damaging the Electronic Control Module (ECM).

SERVICE PROCEDURE

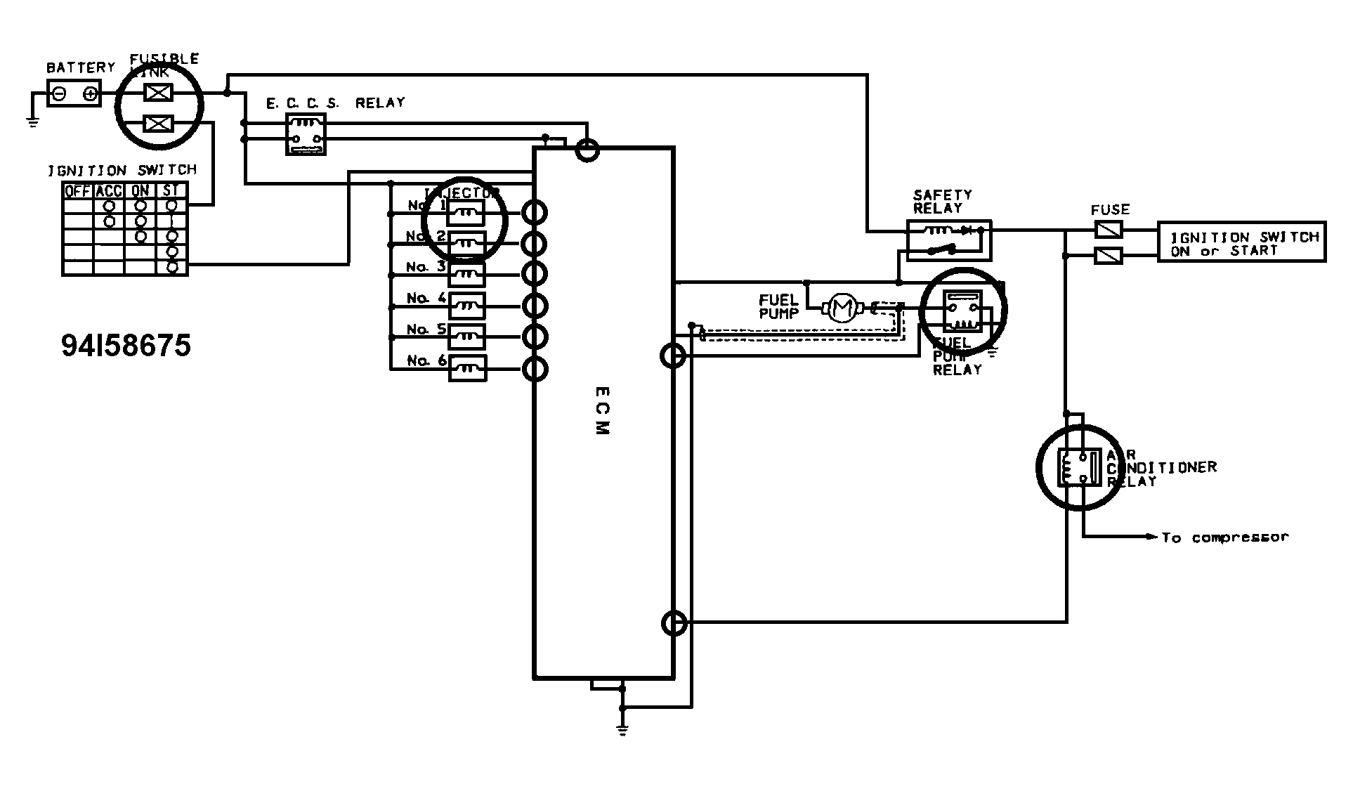
  1. Most relays in the ECCS system (Fuel pump, A/C, etc.) and actuators (Injectors, etc.) are powered by the battery. The ECM controls the relay or actuator by supplying the ground.

    DO NOT apply battery voltage directly to any of the ECM pins (or wires connected to them) which supply the ground to any relays or actuators (see circled areas in Fig 1 ). Doing so will permanently damage the ECM.

  2. Do not connect or disconnect any ECCS connectors when the ignition key is in the "ON" position.
  3. Do not remove the cover of the ECM.
Fig 1: ECCS Circuit Diagram
G94I58675