LEMON Manuals: Even more car manuals for everyone: 1960-2025
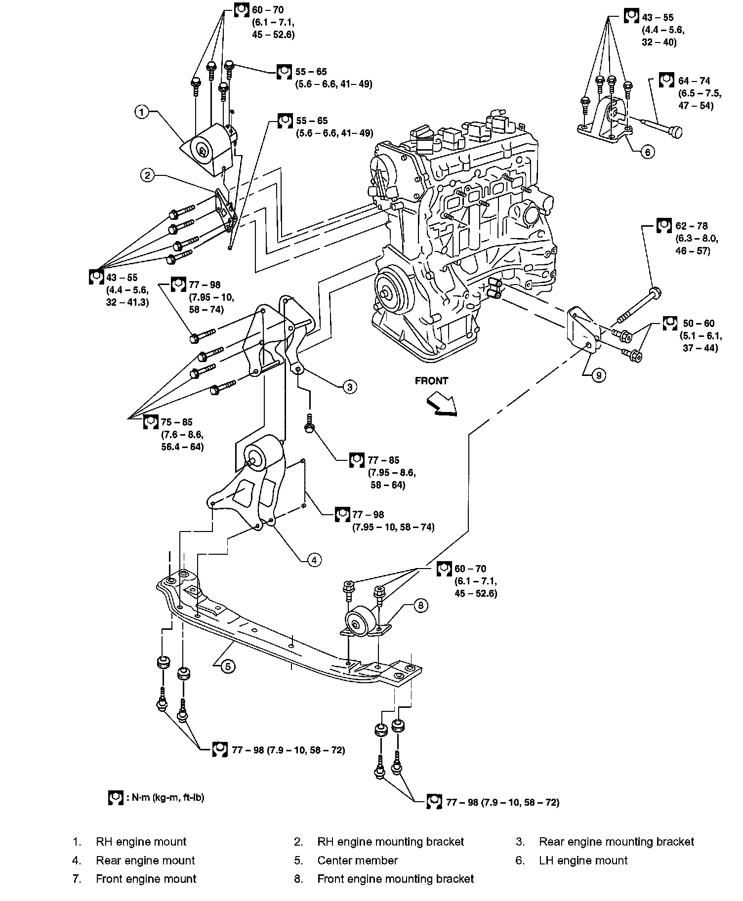
Home >> Nissan-Datsun >> 2002 >> Sentra SE-R L4-2.5L (QR25DE) >> Repair and Diagnosis >> Specifications >> Mechanical Specifications >> Engine >> System Specifications >> Torque Specifications >> Engine Assembly
April 5, 2026: LEMON Manuals is launched! Read the announcement.

Engine Assembly