LEMON Manuals: Even more car manuals for everyone: 1960-2025
Home >> Nissan-Datsun >> 2002 >> Sentra SE-R, Automatic >> Repair and Diagnosis >> Engine Performance >> Vacuum Diagrams >> Engine Control System Diagrams
April 5, 2026: LEMON Manuals is launched! Read the announcement.

Engine Control System Diagrams

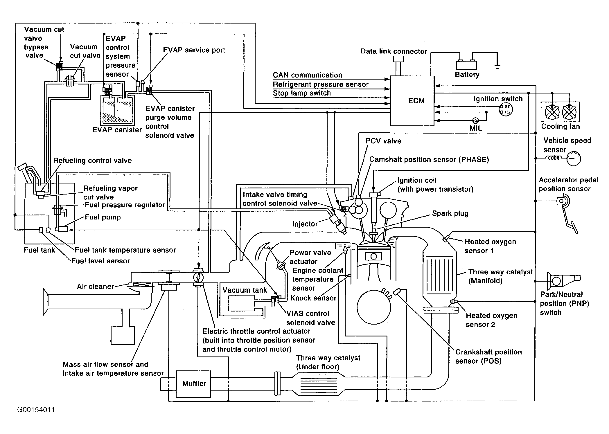
Fig 1: Engine Control System Vacuum Diagram (Altima 2.5L & Sentra 2.5L)
G00154011Courtesy of NISSAN MOTOR CO., U.S.A.
Fig 2: Identifying Engine Vacuum Hose Routing (Altima 2.5L & Sentra 2.5L)
G00154009Courtesy of NISSAN MOTOR CO., U.S.A.
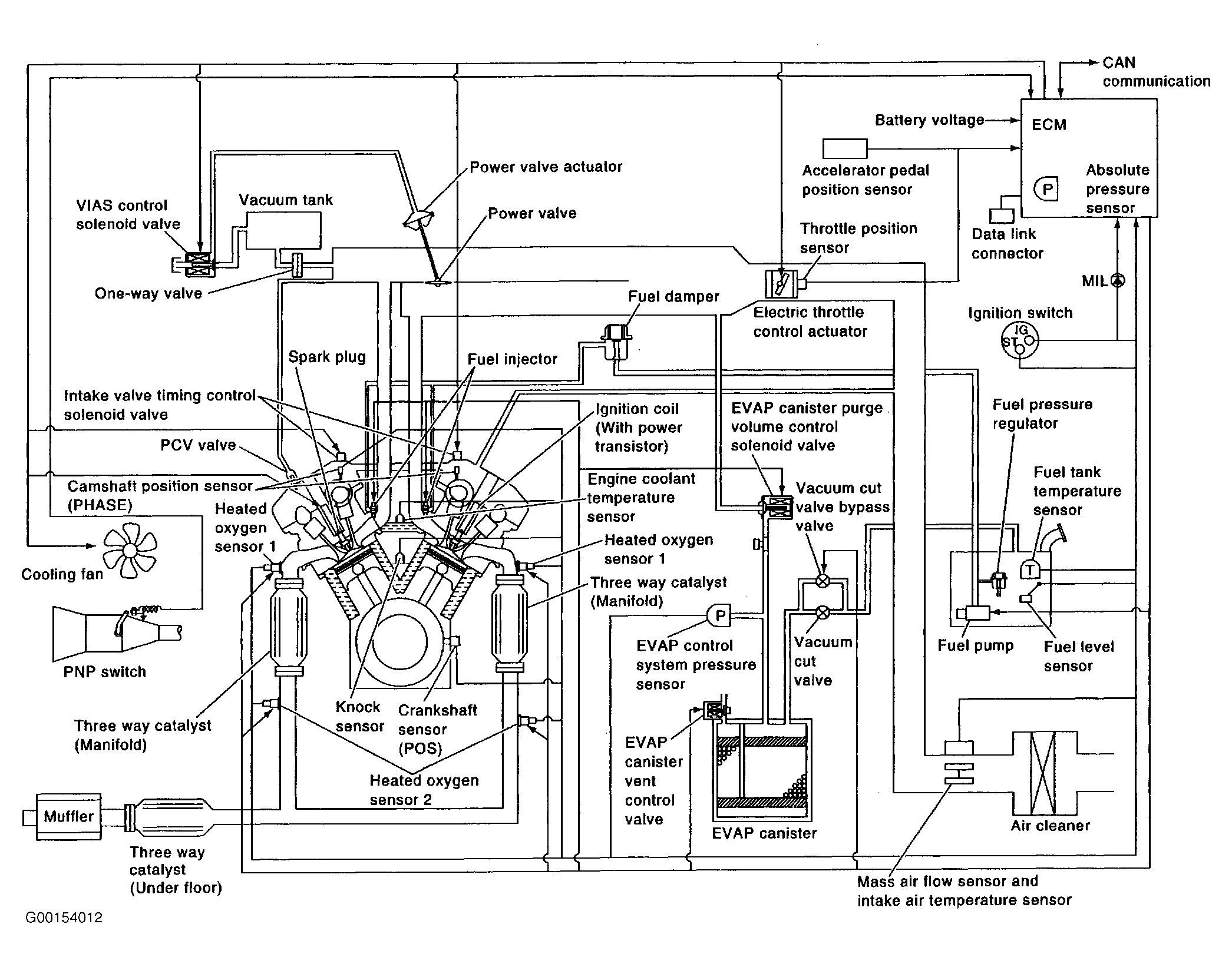
Fig 3: Engine Control System Vacuum Diagram (Altima 3.5L, I35 & Maxima)
G00154012Courtesy of NISSAN MOTOR CO., U.S.A.
Fig 4: Identifying Engine Vacuum Hose Routing (Altima 3.5L)
G00154008Courtesy of NISSAN MOTOR CO., U.S.A.
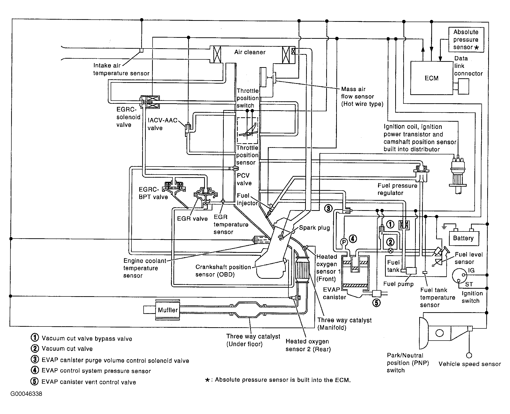
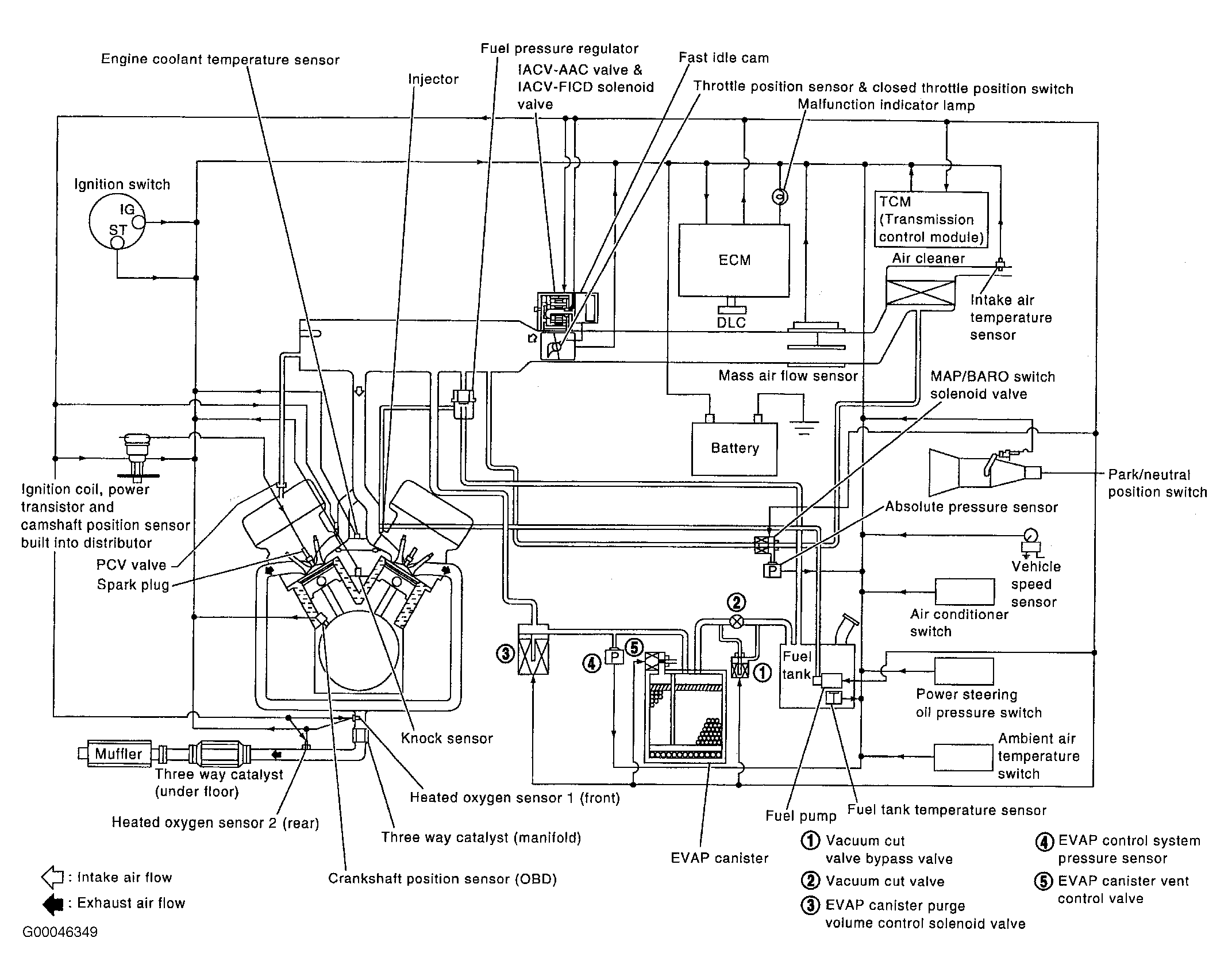
Fig 5: Engine Control System Vacuum Diagram (Frontier 2.4L & Xterra 2.4L)
G00046338Courtesy of NISSAN MOTOR CO., U.S.A.
Fig 6: Identifying Engine Vacuum Hose Routing (Frontier 2.4L & Xterra 2.4L)
G00046339Courtesy of NISSAN MOTOR CO., U.S.A.
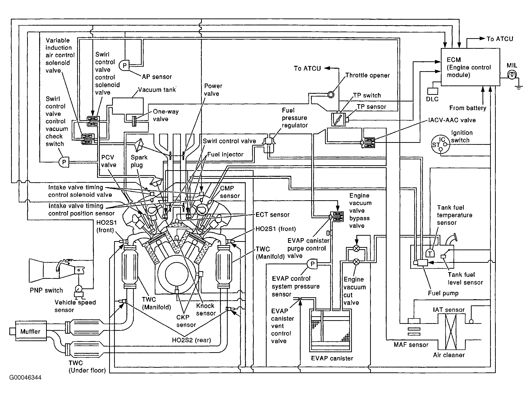
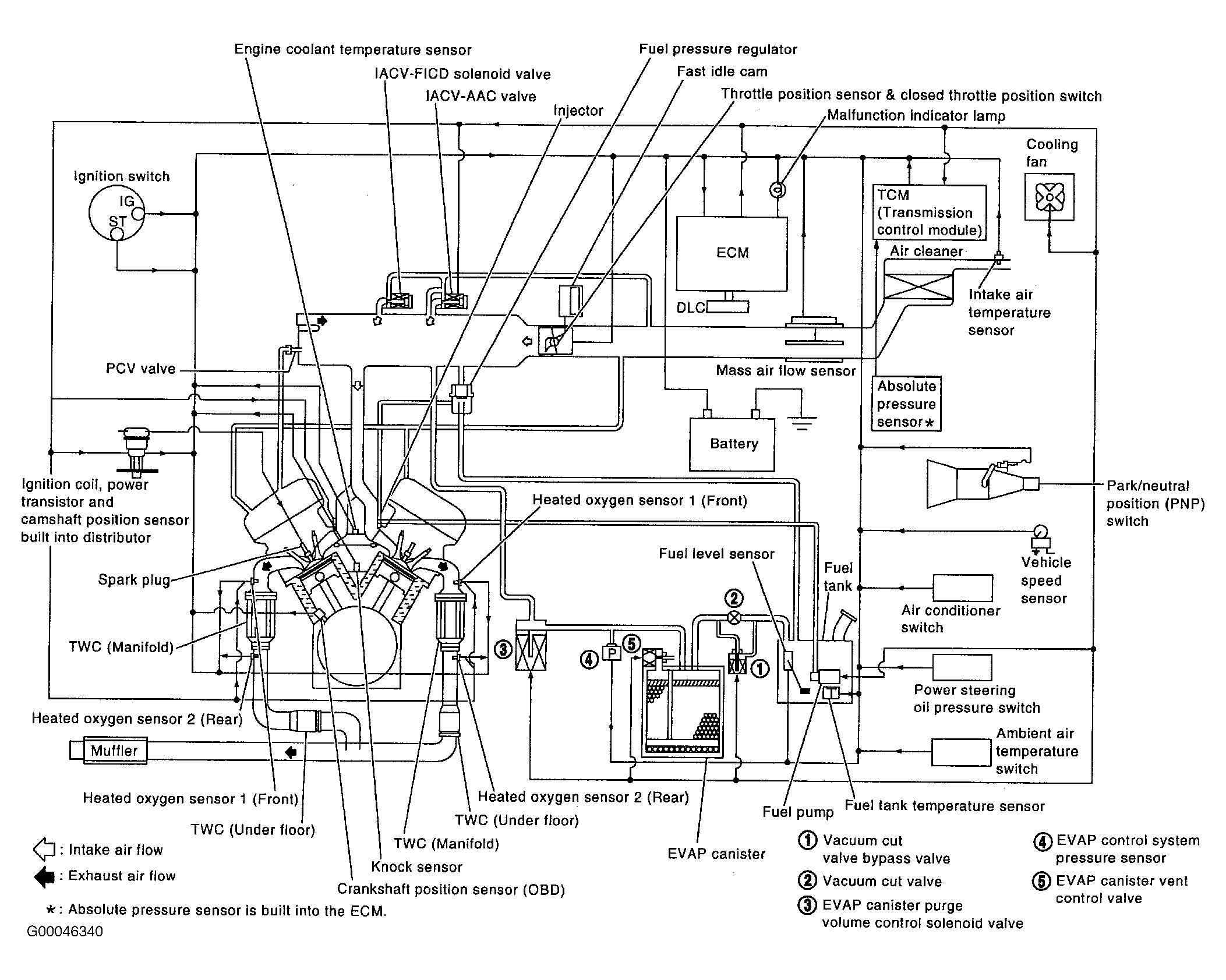
Fig 7: Engine Control System Vacuum Diagram (Frontier 3.3L & Xterra 3.3L)
G00046340Courtesy of NISSAN MOTOR CO., U.S.A.
Fig 8: Identifying Engine Vacuum Hose Routing (Frontier 3.3L & Xterra 3.3L)
G00046341Courtesy of NISSAN MOTOR CO., U.S.A.
Fig 9: Identifying Engine Vacuum Hose Routing (I35 & Maxima)
G00154015Courtesy of NISSAN MOTOR CO., U.S.A.
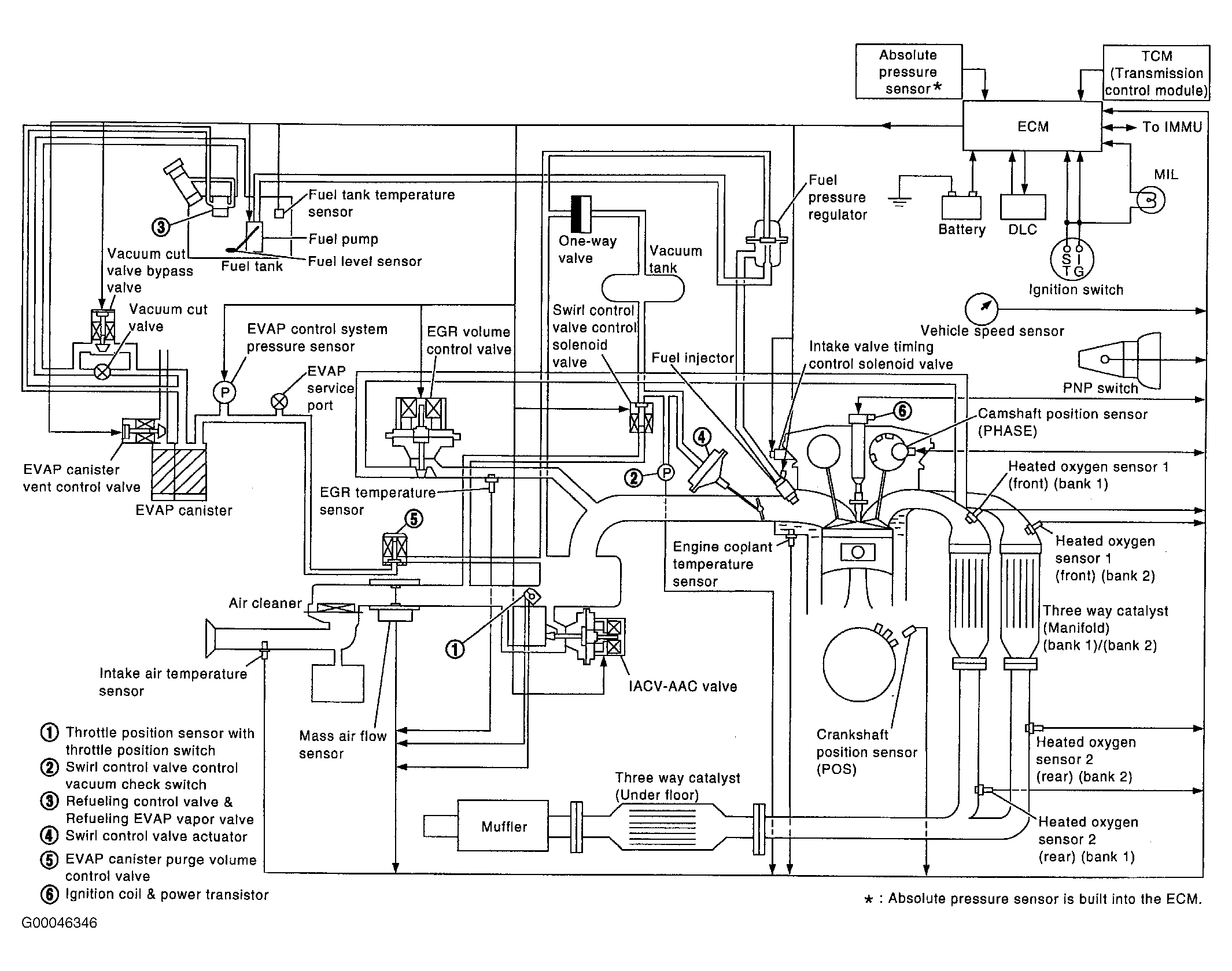
Fig 10: Engine Control System Vacuum Diagram (Pathfinder & QX4)
G00046344Courtesy of NISSAN MOTOR CO., U.S.A.
Fig 11: Identifying Engine Vacuum Hose Routing (Pathfinder & QX4)
G00046345Courtesy of NISSAN MOTOR CO., U.S.A.
Fig 12: Engine Control System Vacuum Diagram (Quest)
G00046349Courtesy of NISSAN MOTOR CO., U.S.A.
Fig 13: Identifying Engine Vacuum Hose Routing (Quest)
G00046350Courtesy of NISSAN MOTOR CO., U.S.A.
Fig 14: Engine Control System Vacuum Diagram (Sentra 1.8L)
G00046346Courtesy of NISSAN MOTOR CO., U.S.A.
Fig 15: Identifying Engine Vacuum Hose Routing (Sentra 1.8L)
G00015099Courtesy of NISSAN MOTOR CO., U.S.A.
Fig 16: Engine Control System Vacuum Diagram (Sentra 1.8L California CA)
G00154022Courtesy of NISSAN MOTOR CO., U.S.A.
Fig 17: Identifying Engine Vacuum Hose Routing (Sentra 1.8L California CA)
G00154021Courtesy of NISSAN MOTOR CO., U.S.A.