LEMON Manuals: Even more car manuals for everyone: 1960-2025
Home >> Nissan-Datsun >> 2002 >> Sentra SE-R, Automatic >> Repair and Diagnosis >> External Pages >> Different car >> Section 1742 (Body Control System (Coupe)) >> BCM (Body Control Module) >> Schematic
April 5, 2026: LEMON Manuals is launched! Read the announcement.

BCM (Body Control Module): Schematic

WARNING: This page is about a different car, the 2006 Infiniti G35. However, it is still accessible from the selected car via links, so may be relevant.

Up to vehicle identification number JNKCV54E26M712739 and JNKCV54E26M712740.

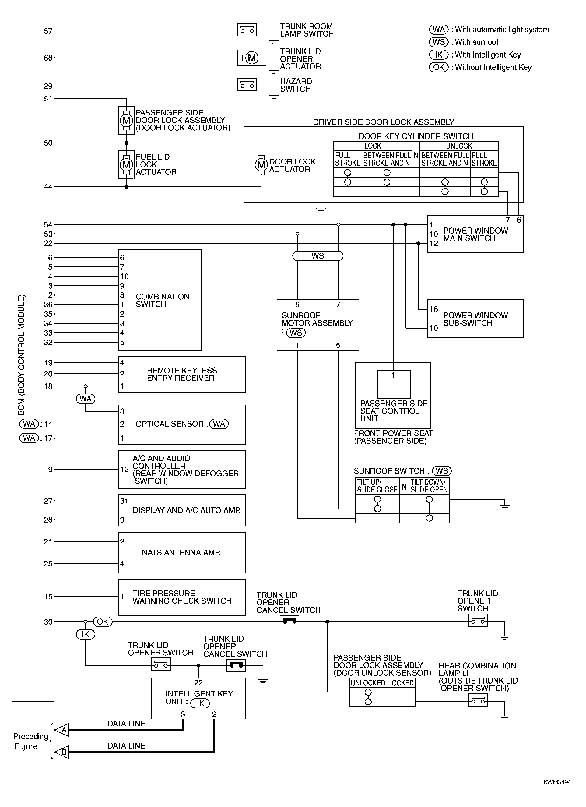
Fig 1: BCM Schematic Chart (1 Of 2)
G04183576Courtesy of NISSAN MOTOR CO., U.S.A.
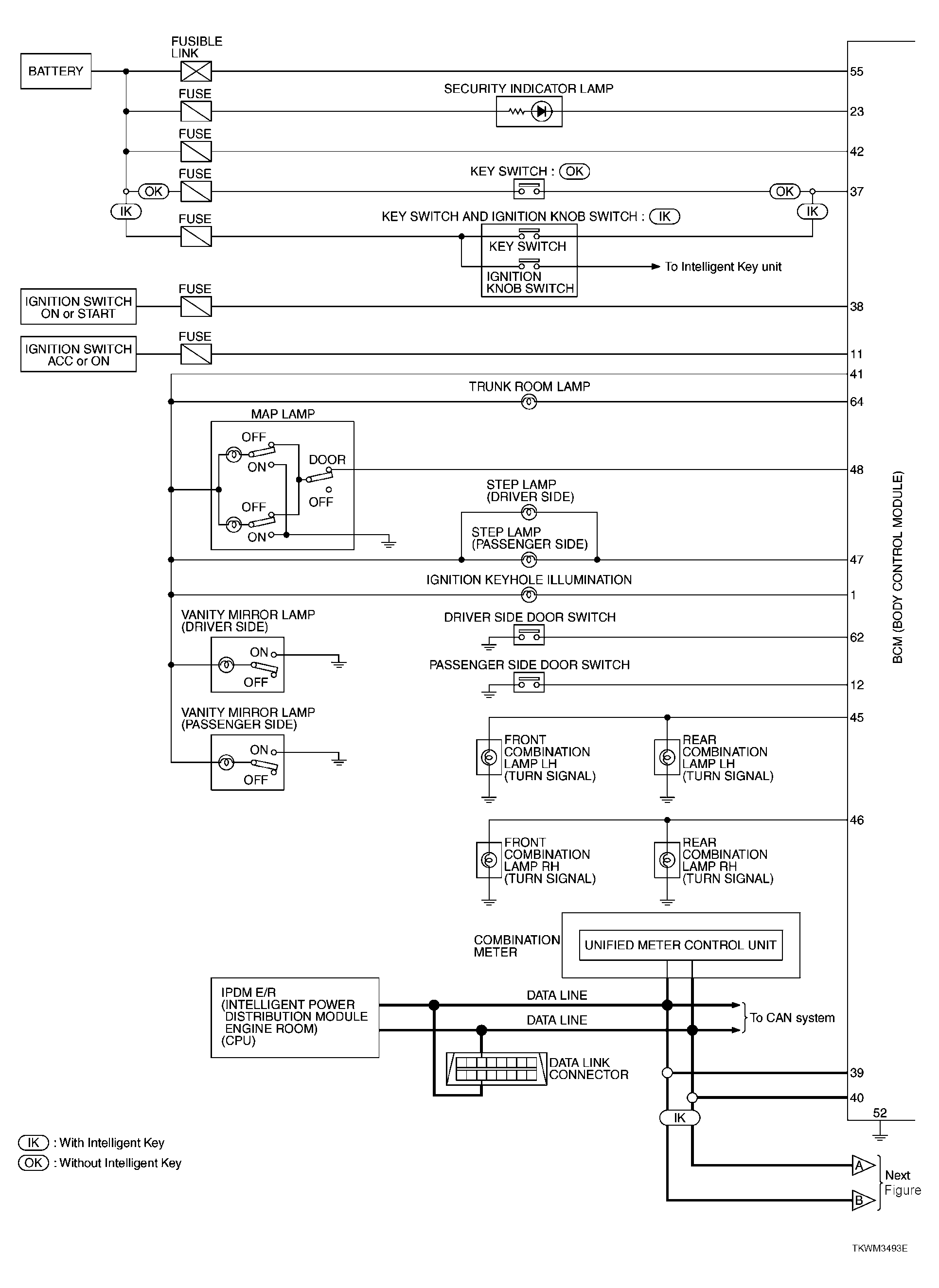
Fig 2: BCM Schematic Chart (2 Of 2)
G04183577Courtesy of NISSAN MOTOR CO., U.S.A.